? Single Supply Voltage Translator at
1.8V, 2.5V, 3.3V and 5.0V
? Up Translation:
1.2V to 1.8V at VCC = 1.8V
1.5V to 2.5V at VCC = 2.5V
1.8V to 3.3V at VCC = 3.3V
3.3V to 5.0V at VCC = 5.0V
? Down Translation:
3.3V to 1.8V at VCC = 1.8V
3.3V to 2.5V at VCC = 2.5V
5.0V to 3.3V at VCC = 3.3V
? 5V Tolerant Inputs
? -40℃ to +125℃ Operating
Temperature Range
? Available in a Green SC70-5 Package

? AEC-Q100 (Rev. H) (Note 1)
? Wide operating temperature
range: Topr = -40 to 125 (Note 2)
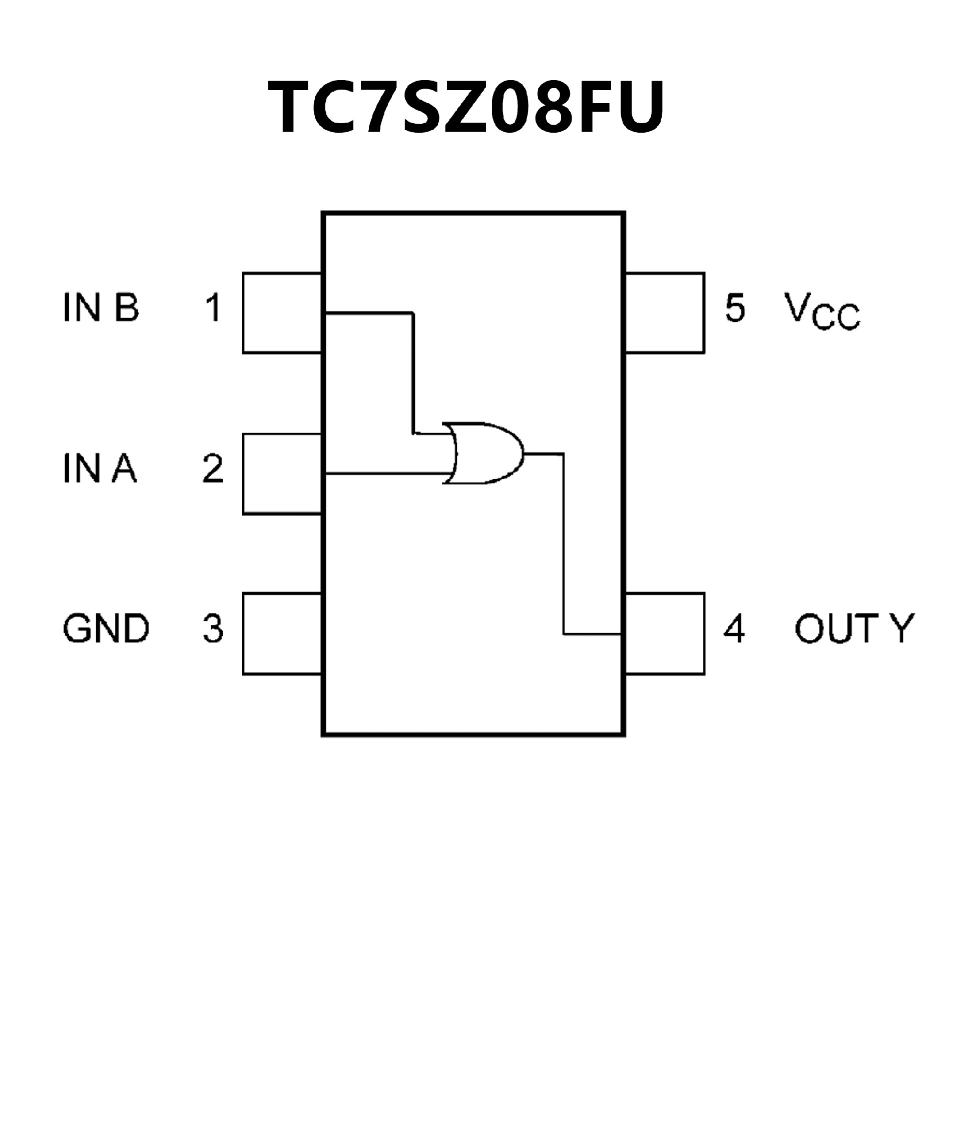
? High output current: ±24 mA
(min) at VCC = 3.0 V
? Super high speed operation: tpd = 2.7 ns
(typ.) at VCC = 5.0 V, CL = 50 pF
? Operation voltage range: VCC = 1.65 to 5.5 V
? 5.5 V tolerant inputs
? 5.5 V power down protection output
? Matches the performance of TC74LCX
series when operated at 3.3 V VCC
