Low Voltage Dual SPDT Analog Switch, PI5A23157 Replace TS5A23157.
PI5A23157
PI5A23157.pdf
FEATURES
? CMOS Technology for Bus and Analog Applications
? Low propagation delay
? Low typical On-Resistance
? Signal passing bandwidth,220 MHz
? Wide Vpp Range: 1.65V to 5.5V
? Rail-to-Rail Signal Range
? High Off Isolation: -65dB @ 10MHz
? Crosstalk Rejection Reduces Signal Distortion:
-66dB @ 10MHz
? Break-Before-Make Switching
? Extended Industrial Temperature Range:
-40°Cto 125°C
? ESD protection :2kV(HBM)
? Totally Lead-Free & Fully RoHS Compliant (Notes 1 & 2)
? Halogen and Antimony Free “Green” Device (Note 3)
? For automotive applications requiring specific change
control
? Packaging (Pb-free & Green):
10-pin UQFN (ZUA),2mm x 1.5mm
10-pin MSOP (U), 3mm x 3mm
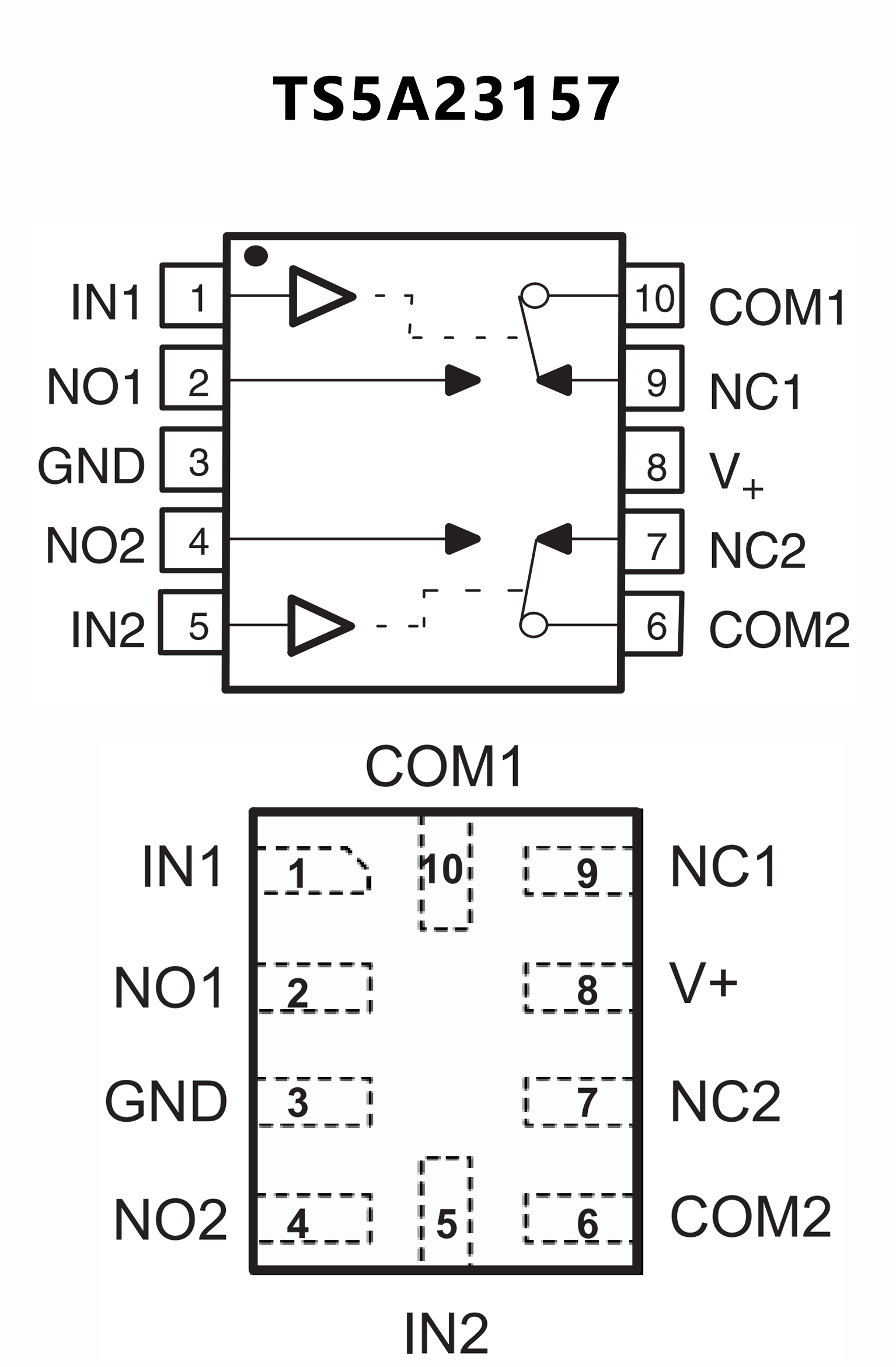
PIN CONFIGUTION

優勢替代
FEATURES
? Low ON-State Resistance (15 ? at 125℃)
? 125℃ Operation
? Control Inputs are 5-V Tolerant
? Specified Break-Before-Make Switching
? Low Charge Injection
? Excellent ON-Resistance Matching
? Low Total Harmonic Distortion
? 1.8-V to 5.5-V Single-Supply Operation
? Latch-Up Performance Exceeds 100 mA Per
JESD 78, Class II
? ESD Performance Tested Per JESD 22
– 2000-V Human-Body Model
(A114-B, Class II)
– 1000-V Charged-Device Model (C101)
PIN CONFIGUTION
