Low Voltage SPST 0.8Ω Analog Switch, PI5A3167 Replace TS5A3167.
PI5A3167
PI5A3167.pdf
FEATURES
? CMOS Technology for Bus and Analog Applications
? Low On-Resistance: 0.8Ω at 3.0V
? Wide VCC Range: 1.65V to 5.5V
? Rail-to-Rail Signal Range
? Control Input Overvoltage Tolerance: 5.5V
? Fast Transition Speed: 2ns at 5.0V
? High Bandwidth: 200 MHz
? I/O pins Have Power-off Protection Functions
? Extended Industrial Temperature Range:
-40°C to 85°C
? Packaging (Pb-free & Green):
-5-pin SOT23
-5-pin SC70
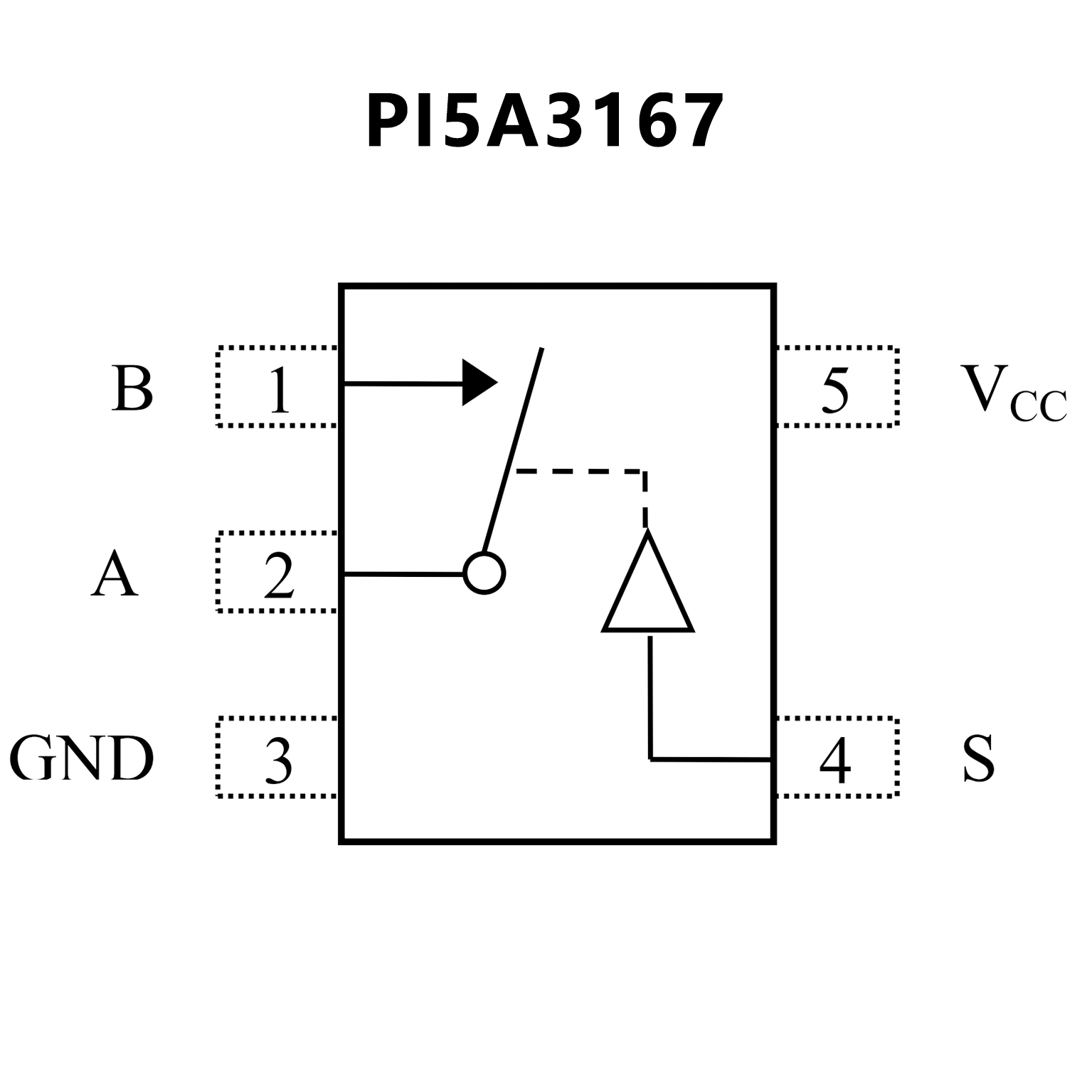
PIN CONFIGUTION

優勢替代
FEATURES
? Isolation in Powered-Off Mode, VCC = 0
? Low ON-State Resistance (0.9 Ω)
? Control Inputs Are 5.5-V Tolerant
? Low Charge Injection
? Low Total Harmonic Distortion (THD)
? 1.65-V to 5.5-V Single-Supply Operation
? Latch-Up Performance Exceeds 100 mA Per
JESD 78, Class II
? ESD Performance Tested Per JESD 22
– 2000-V Human-Body Model (A114-B, Class II)
– 1000-V Charged-Device Model (C101)
PIN CONFIGUTION
