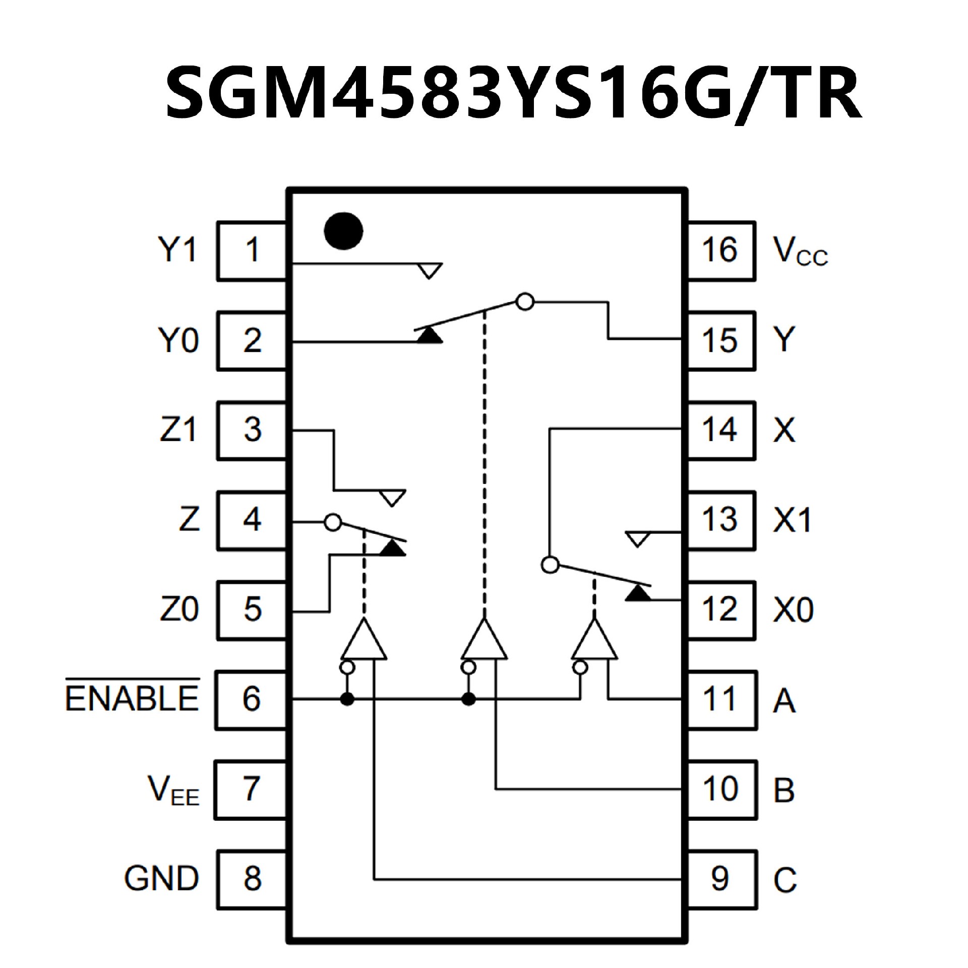
? Guaranteed On-Resistance
51? with
±5V Supplies
84? with Single +5V Supply
? Guaranteed On-Resistance Match Between
Channels
? Low Off-Leakage Current 10nA at +25℃
? Low On-Leakage Current 10nA at +25℃
? ±1.8V to ±5.5V Dual-Supply Operation
or+3.6V to +11V Single-Supply Operation
? TTL/CMOS-Logic Compatible
? Low Distortion: 0.02%
(RL = 600?, f = 20Hz to 20kHz)
? High Off-Isolation: -62dB (RL = 50?, f = 1MHz)
? Low Crosstalk: -85dB (RL = 50?, f = 1MHz)
? Extended Industrial
Temperature Range:
-40℃ to +85℃
? Available in Green SOIC-16, SSOP-16,
TSSOP-16
and TQFN-3×3-16L Packages

? 寬模擬輸入電壓范圍:±5V(最大值)
? 低導通電阻
– 70Ω(典型值)(VCC – VEE = 4.5V)
40Ω(典型值)(VCC – VEE = 9V)
? 低開關間串擾
? 快速開關和傳播速度
? 先斷后合開關
? 寬工作溫度范圍:
55°C 至 +125°C
? CD54HC 和 CD74HC 類型
工作控制電壓:2V 至 6V
開關電壓:0V 至 10V
? CD54HCT 和 CD74HCT 類型
工作控制電壓:4.5V 至 5.5V
開關電壓:0V 至 10V
直接 LSTTL 輸入邏輯兼容性
VIL = 0.8V(最大值),
VIH = 2V(最小值)
CMOS 輸入兼容性
在電壓為 VOL、VOH時,II ≤ 1μA
