? Rail-to-Rail Input and Output
? Input Offset Voltage: 4mV (MAX)
? High Gain-Bandwidth Product: 11MHz
? High Slew Rate: 8.5V/μs
? Settling Time to 0.1% with 2V Step: 0.21μs
? Overload Recovery Time: 0.6μs
? Low Noise: 8.5nV/√Hz at 10kHz
? Supply Voltage Range: 2.1V to 5.5V
? Input Voltage Range: -0.1V to 5.6V with VS = 5.5V
? Low Power:
SGM721/3: 1.2mA (TYP)
SGM722/4: 1.1mA/Amplifier (TYP)
SGM723 Less than 1μA when Disabled
? -40℃ to +125℃ Operating Temperature Range
? Small Packaging:
SGM721 Available in Green SC70-5, SOT-23-5
andSOIC-8 Packages
SGM722 Available in Green MSOP-8,
SOIC-8 and TSSOP-8 Packages
SGM723 Available in Green SOT-23-6
and SOIC-8Packages
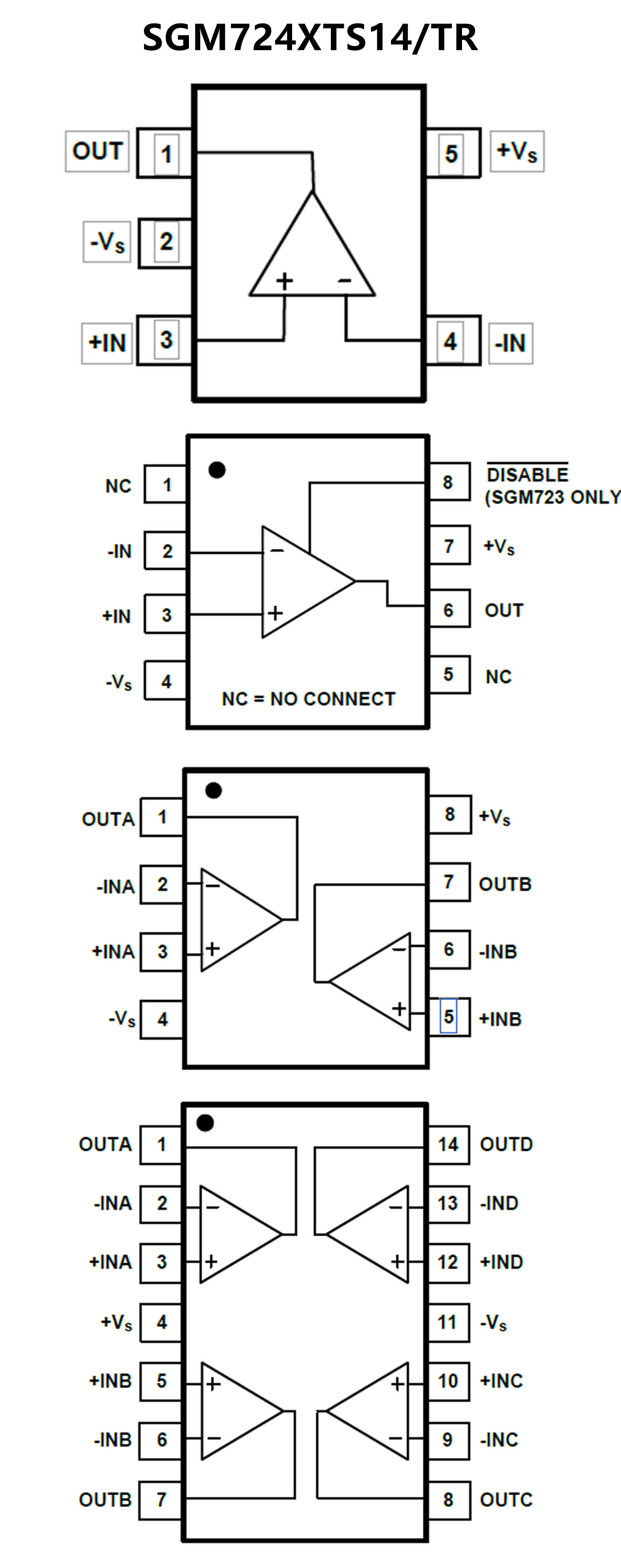
SGM724 Available in Green TSSOP-14
andSOIC-14 Packages

? Single-supply operation: 2.7 V to 6 V
? High output current: ±250 mA
? Low supply current: 750 μA/amplifier
? Wide bandwidth: 3 MHz
? Slew rate: 5 V/μs
? No phase reversal
? Low input currents
? Unity gain stable
? Rail-to-rail input and output
