Small Logic Two-Input Exclusive-OR Gate,SGM7SZ86YC5GTR Replace NC7S86.
SGM7SZ86
SGM7SZ86.pdf
FEATURES
? Ultra-High Speed: tPD = 4.2ns (TYP)
into 50pFat VCC = 3.3V
? High Output Drive: ±24mA at VCC = 3V
? Broad VCC Operating Range: 1.65V to 5.5V
? Matches Performance of LCX
Operated atVCC = 3.3V
? Power Down High-Impedance Inputs/Output
? Over-Voltage Tolerant Inputs
Facilitate 5V to 3VTranslation
? Available in Green SOT-23-5
and SC70-5 Packages
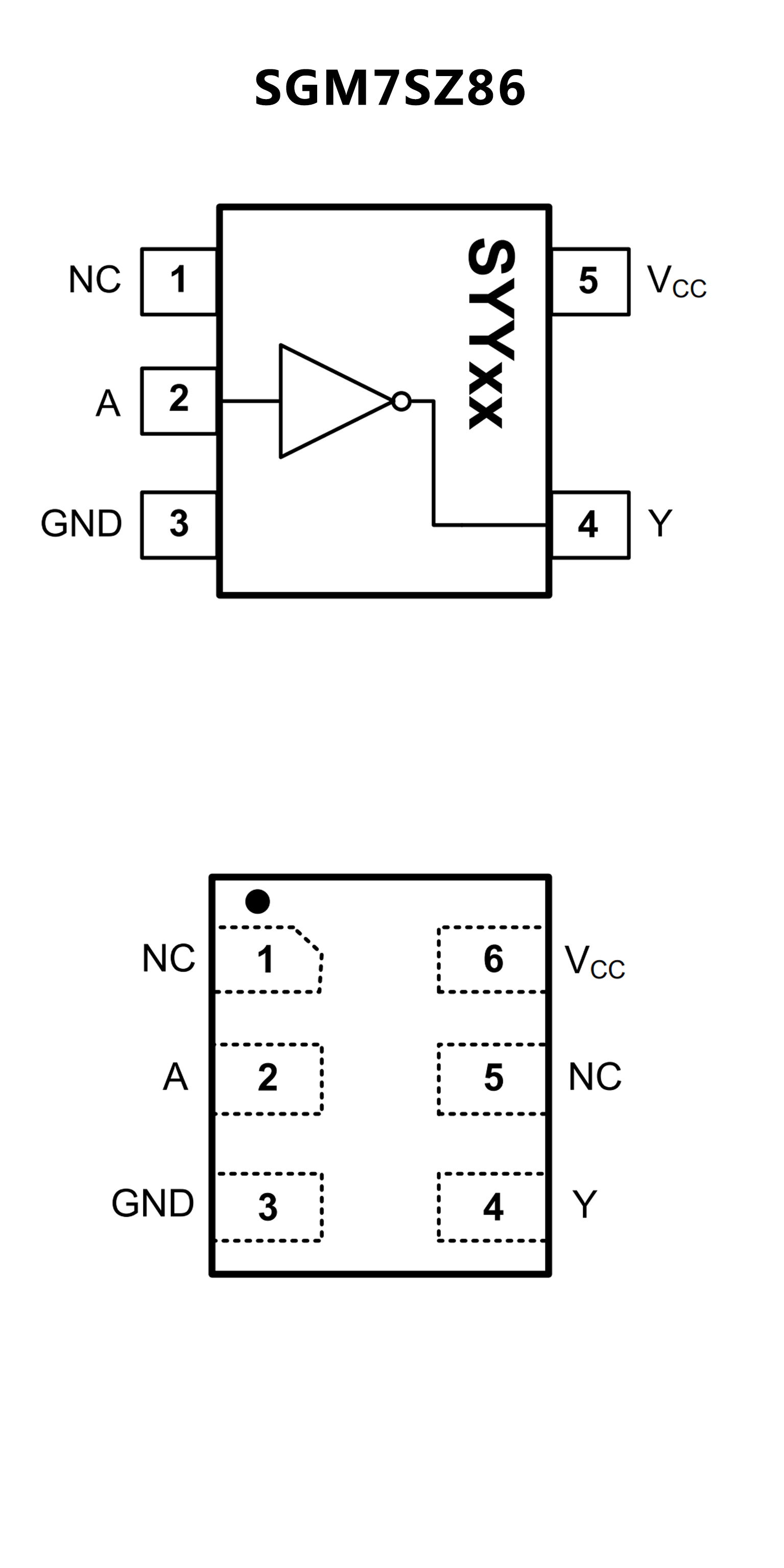
PIN CONFIGUTION

優勢替代
FEATURES
? Space Saving SC?74A and SC?88A 5?Lead Package
? Ultra Small MicroPak? Leadless Package
? High Speed: tPD = 4.5 ns Typ
? Low Quiescent Power: ICC < 1 μA
? Balanced Output Drive: 2 mA IOL, ?2 mA IOH
? Broad VCC Operating Range: 2 V – 6 V
? Balanced Propagation Delays
? Specified for 3 V Operation
? These Devices are Pb?Free, Halogen Free/BFR
Free and are RoHSCom pliant
PIN CONFIGUTION
