Nano Power Operational Amplifier, Replace TSU101
SGM8041
SGM8041.pdf
FEATURES
? Low Quiescent Current: 710nA (TYP)
? Rail-to-Rail Input and Output
? Gain-Bandwidth Product: 14.5kHz at VS = 5V (TYP)
? Wide Supply Voltage Range: 1.4V to 5.5V
? Unity Gain Stable
? -40℃ to +85℃ Operating Temperature Range
? Available in Green SOT-23-5, SOIC-8 and MSOP-8
Packages
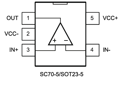
PIN CONFIGUTION

優勢替代
FEATURES
? Submicro ampere current consumption:580 nA typ
per channel at 25 °C atVCC = 1.8 V
? Low supply voltage: 1.5 V - 5.5 V
? Unity gain stable
? Rail-to-rail input and output
? Gain bandwidth product: 8 kHz typ
? Low input bias current: 5 pA max at 25 °C
? High tolerance to ESD: 2 kV HBM
? Industrial temperature range:-40 °C to 85 °C
PIN CONFIGUTION
