Micro Power Operational Amplifier, Replace OPA379
SGM8049-1
SGM8049-1.pdf
FEATURES
? Low Noise: 3.5μVP-P (0.1Hz to 10Hz)
? Wide Supply Voltage Range: 1.8V to 5.5V
? Low Quiescent Current: 2.5μA/Amplifier (TYP)
? Low Offset Voltage: 0.85mV (MAX)
? DC Precision:
CMRR: 100dB
PSRR: 2.5μV/V
AOL: 118dB
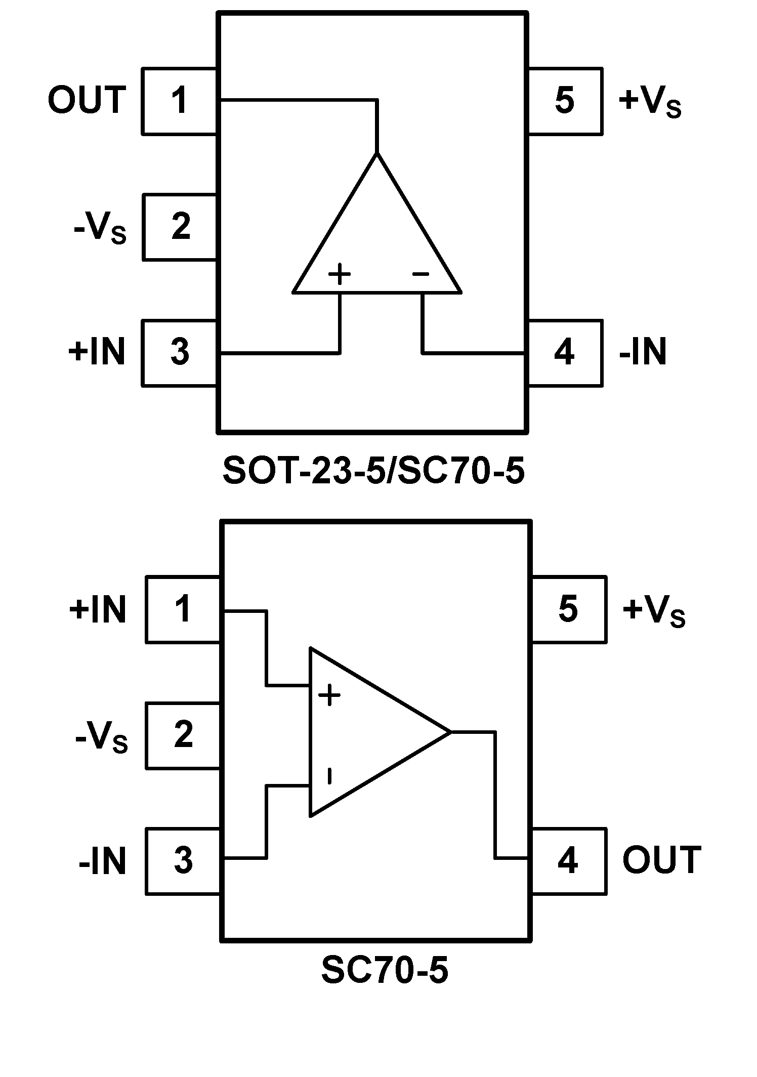
PIN CONFIGUTION

優勢替代
FEATURES
? LOW NOISE: 2.8mVPP (0.1Hz - 10Hz)
? microPower: 5.5mA (max)
? LOW OFFSET VOLTAGE: 1.5mV (max)
? DC PRECISION:
– CMRR: 100dB
– PSRR: 2mV/V
– AOL: 120dB
? WIDE SUPPLY VOLTAGE RANGE: 1.8V to 5.5V
PIN CONFIGUTION
