Low Cost
? Rail-to-Rail Output
-2mV Typical VOS
? High Speed
-500 MHz, –3 dB Bandwidth (G = +1)
-420 V/μs, Slew Rate
-16 ns Settling Time to 0.1% with 2V Step
? Operates on 2.5 V to 5.5V Supplies
? Input Voltage Range = – 0.2 V to + 3.8 V with VS = 5V
? Excellent Video Specs (RL = 150Ω, G = +2)
-Gain Flatness 0.1dB to 80 MHz
-Diff Gain: 0.015 %, Diff Phase: 0.05 degree
? Low Power
-8.2 mA/Amplifier Typical Supply Current
-SGM8063 75μA when Disabled
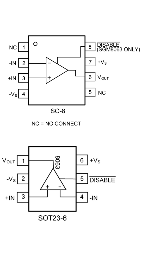
? Small Packaging
-SGM8063 Available in SO-8 and SOT23-6

Low Cost
?Single (AD8061), Dual (AD8062)
?Single with Disable (AD8063)
?Rail-to-Rail Output Swing
-6 mV VOS
?High Speed
-300 MHz, –3 dB Bandwidth (G = 1)
-800 V/ s Slew Rate
-8.5 nV/√Hz @ 5 V
-35 ns Settling Time to 0.1% with 1 V Step
?Operates on 2.7 V to 8 V Supplies
-Input Voltage Range = –0.2 V to +3.2 V with VS = 5
?Excellent Video Specs (RL = 150 , G = 2)
-Gain Flatness 0.1 dB to 30 MHz
-0.01% Differential Gain Error
-0.04 Differential Phase Error
-35 ns Overload Recovery
?Low Power
-6.8 mA/Amplifier Typical Supply Current
-AD8063 400 A when Disabled
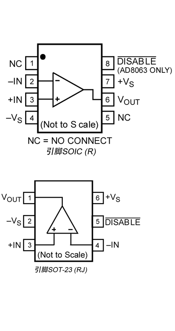
?Small Packaging
-AD8063 Available in SOIC-8 and SOT-23-6
