? Low Offset Voltage: 25μV (MAX)
? Rail-to-Rail Output Swing
? 4.5V to 36V Single Supply Operation
? Open-Loop Voltage Gain: 150dB (TYP)
? PSRR: 150dB (TYP)
? CMRR: 135dB (TYP)
? 0.1Hz to 10Hz Noise: 0.2μVP-P
? Input Voltage Noise Density: 12nV/Hz at 1kHz
? Gain-Bandwidth Product: 8.5MHz
? Low Supply Current: 0.85mA/Amplifier (TYP)
? Overload Recovery Time: 0.7μs
? -40℃ to +125℃ Operating Temperature Range
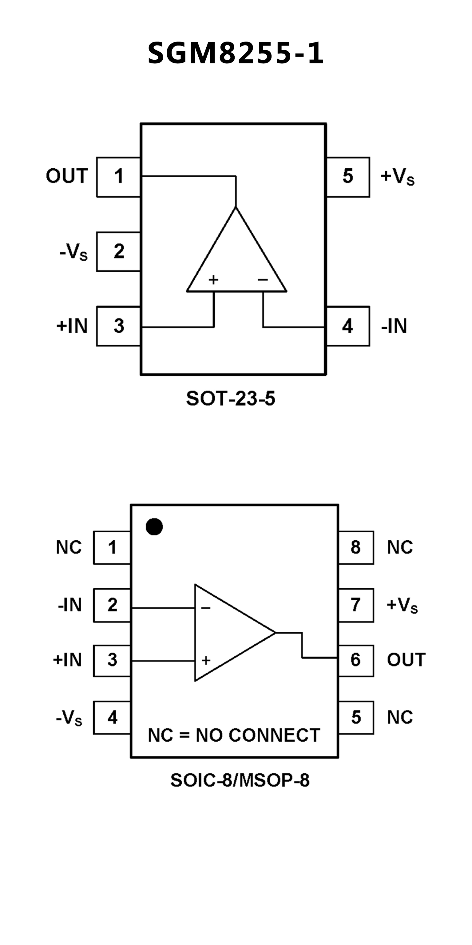
? Small Packaging: SGM8255A-1 Available in Green
SOT-23-5, SOIC-8 and MSOP-8 Packages

? Low Offset Voltage: ±5 μV
? Low Offset Voltage Drift: ±0.2μV/°C
? Low Noise: 5.5 nV/√Hz at 1 kHz
? Wide Bandwidth: 10 MHz GBW (G = 100)
? High Slew Rate : 20 V/μs
? Low Quiescent Current: 1 mA per Amplifier
? Rail-to-Rail Input and Output
? Wide Supply: ±2.25 V to ±18 V, +4.5 V to +36 V
? EMI/RFI Filtered Inputs
? High Common-Mode Rejection: 140 dB
? Low Bias Current: ±5 pA
? Differential Input Voltage Range to Supply Rail
? High Capacitive Load Drive Capability: 1 nF
