Micro Power Operational Amplifier, Replace TLV4172
SGM8273-4
SGM8273-4.pdf
FEATURES
? Wide Input Common Mode and Differential
Voltage Ranges
? Low Input Bias and Offset Current
? Output Short-Circuit Protection
? Rail-to-Rail Input and Output
? High Input Impedance
? Low Offset Voltage: 1mV (MAX)
? Low Noise: 9nV/ Hz at 1kHz
? Gain-Bandwidth Product: 4MHz
? High Slew Rate: 6V/μs
? Small Packaging:
SGM8273-4 Available in Green SOIC-14 Package
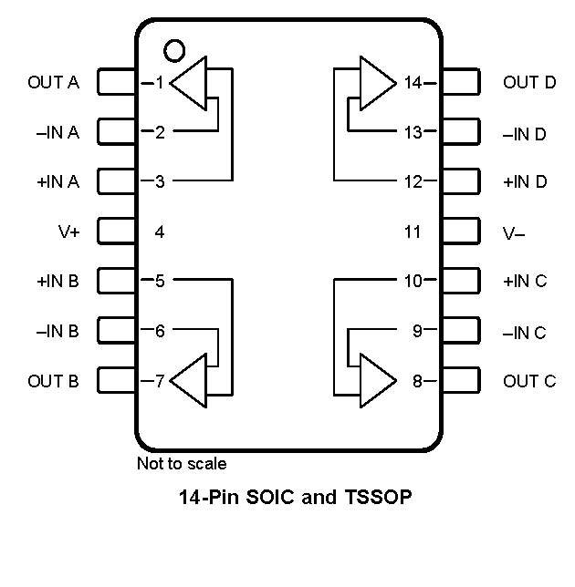
PIN CONFIGUTION

優勢替代
FEATURES
? Supply Range: 4.5 V to 36 V, ±2.25 V to ±18 V
? Low Noise: 9 nV/√Hz
? Low Offset Drift: ±1 μV/°C (typical)
? EMI-Hardened
? Input Range Includes the Negative Supply
? Rail-to-Rail Output
? Gain Bandwidth: 10 MHz
? Slew Rate: 10 V/μs
? Low Quiescent Current: 1.6 mA per Amplifier
? High Common-Mode Rejection: 116 dB (typical)
? Low Input Bias Current: 10 pA
PIN CONFIGUTION
