High Precision Operational Amplifier, SGM8291 Replace TP2271.
SGM8291
SGM8291.pdf
FEATURES
? Low Power Consumption: 150μA/Amplifier
? Low Offset Voltage: 1.5mV (MAX)
? Wide Input Common Mode Voltage Range
? Low Input Bias and Offset Currents
? Output Short-Circuit Protection
? Rail-to-Rail Output
? High Input Impedance
? High Slew Rate: 7V/μs
? Small Packaging:
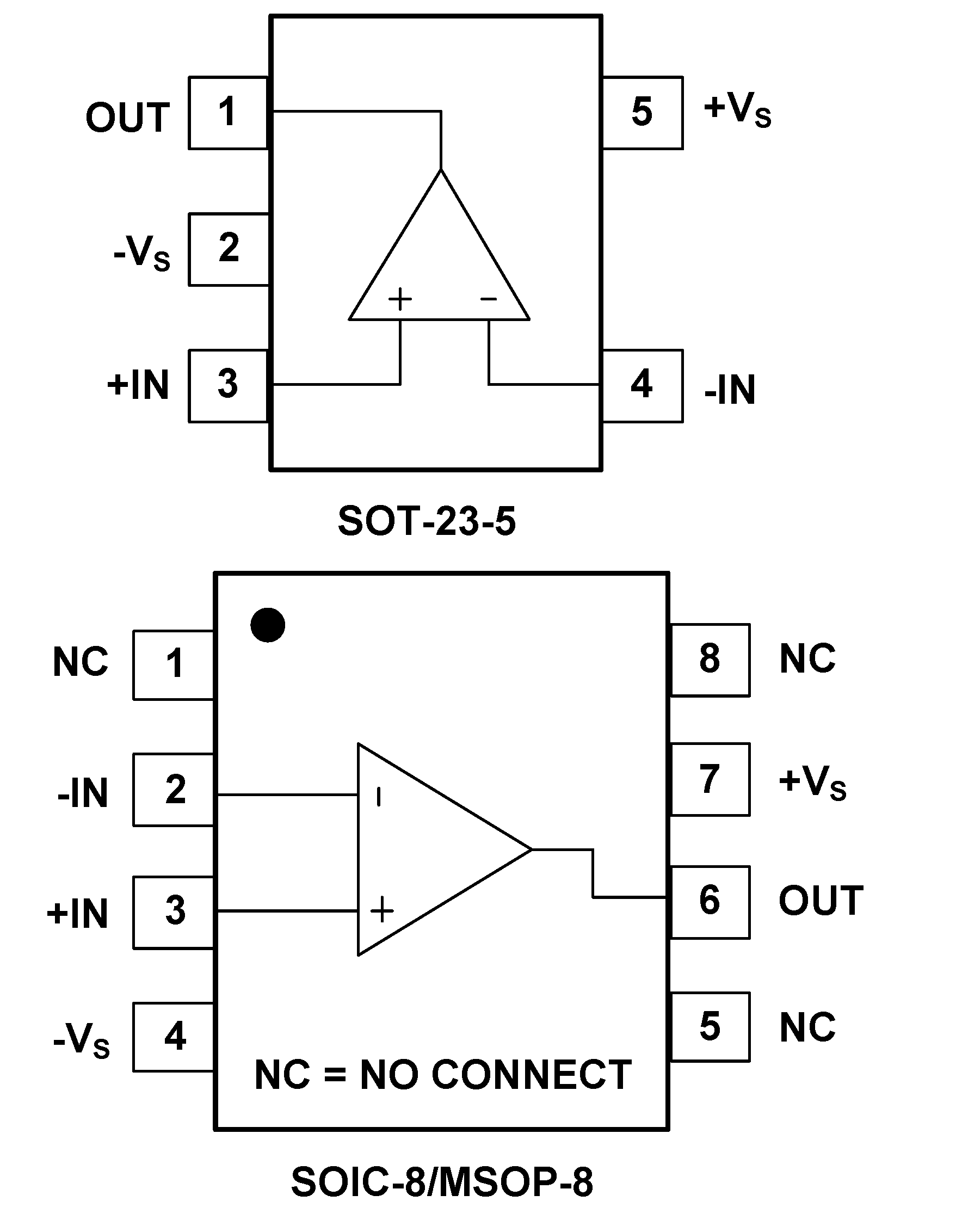
SGM8291 Available in Green SOT-23-5, MSOP-8
and SOIC-8
PIN CONFIGUTION

優勢替代
FEATURES
? Gain-bandwidth Product: 7MHz
? High Slew Rate: 20V/μs
? High EMIRR: 84dB at 900MHz
? Low Noise: 19 nV/√Hz(f= 1kHz)
? Wide Supply Range: 2.7V to 36V
? Low Offset Voltage: 1.0mV Maximum
? Low Input Bias Current: 3pA Typical
? Below-Ground (V-) Input Capability to -0.3V
? Rail-to-Rail Output Voltage Range
? High Output Current: 80mA (2.0V Drop)
? Unit Gain Stable
PIN CONFIGUTION
