Micro Power operational Amplifier, Replace OPA347
SGM8531
SGM8531.pdf
FEATURES
? Low Cost
? Rail-to-Rail Input and Output 0.8mV Typical VOS
? Unity Gain Stable
? Gain Bandwidth Product: 500kHz
? Very Low Input Bias Currents: 0.5pA
? Supply Voltage Range: 2.1V to 5.5V
? Input Voltage Range:
-0.1V to +5.6V with VS = 5.5V
? Low Supply Current: 18μA/Amplifier
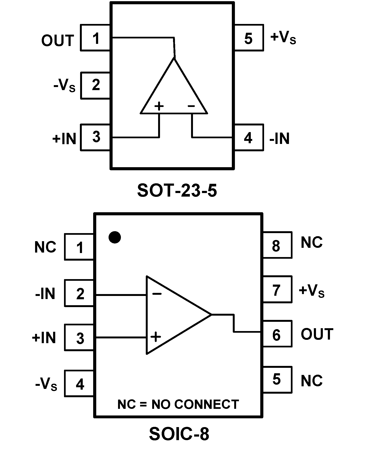
PIN CONFIGUTION

優勢替代
FEATURES
? LOW IQ: 20μA
? microSIZE PACKAGES: WCSP-8, SC70-5
SOT23-5, SOT23-8, and TSSOP-14
? HIGH SPEED/POWER RATIO WITH BANDWIDTH: 350kHz
? RAIL-TO-RAIL INPUT AND OUTPUT
? SINGLE SUPPLY: 2.3V to 5.5V
PIN CONFIGUTION
