Micro Power Operational Amplifier, Replace LMV601
SGM8541
SGM8541.pdf
FEATURES
? Low Cost
? Rail-to-Rail Input and Output 0.8mV Typical VOS
? Unity Gain Stable
? Gain-Bandwidth Product: 1.1MHz
? Very Low Input Bias Current: 0.5pA
? Supply Voltage Range: 2.1V to 5.5V
? Input Voltage Range: -0.1V to +5.6V with VS = 5.5V
? Low Supply Current: 46μA/Amplifier
? Small Packaging SOIC-8, SC70-5 and SOT-23-5
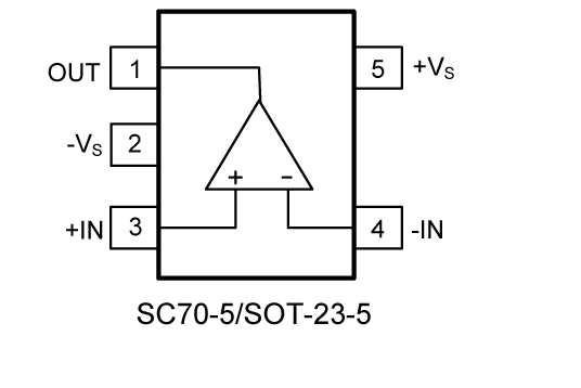
PIN CONFIGUTION

優勢替代
FEATURES
? Typical 2.7-V Supply Values; Unless Otherwise Noted
? Ensured 2.7-V and 5-V Specifications
? Supply Current (Per Amplifier): 100 μA
? Gain Bandwidth Product: 1 MHz
? Shutdown Current (LMV601): 45 pA
? Turnon Time from Shutdown (LMV601): 5μs
? Input Bias Current: 20 fA
PIN CONFIGUTION
