Micro Power Operational Amplifier, SGM8541 Replace OPA348.
SGM8541
SGM8541.pdf
FEATURES
? Low Cost
? Rail-to-Rail Input and Output 0.8mV Typical VOS
? Unity Gain Stable
? Gain-Bandwidth Product: 1.1MHz
? Very Low Input Bias Current: 0.5pA
? Supply Voltage Range: 2.1V to 5.5V
? Input Voltage Range: -0.1V to +5.6V with VS = 5.5V
? Low Supply Current: 46μA/Amplifier
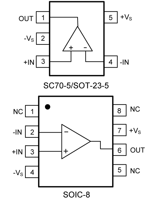
PIN CONFIGUTION

優勢替代
FEATURES
? LOW IQ: 45μA typical
? LOW COST
? RAIL-TO-RAIL INPUT AND OUTPUT
? SINGLE SUPPLY: +2.1V to +5.5V
? INPUT BIAS CURRENT: 0.5pA
? HIGH SPEED:POWER WITH BANDWIDTH: 1MHz
PIN CONFIGUTION
