Low Noise Operational Amplifier, SGM8632 Replace TSV912.
SGM8632
SGM8632.pdf
FEATURES
? Rail-to-Rail Input and Output:3.5mV Maximum VOS
? High Gain-Bandwidth Product: 6MHz
? High Slew Rate: 3.7V/μs
? Settling Time to 0.1% with 2V Step: 0.5μs
? Overload Recovery Time: 0.9μs
? Low Noise: 13nV/ Hz at 1kHz
? Supply Voltage Range: 2V to 5.5V
? Input Voltage Range: -0.1V to +5.6V with VS = 5.5V
? Low Supply Current
SGM8632: 480μA/Amplifier (TYP)
? Small Packaging
SGM8632 Available in Green MSOP-8 and SOIC-8
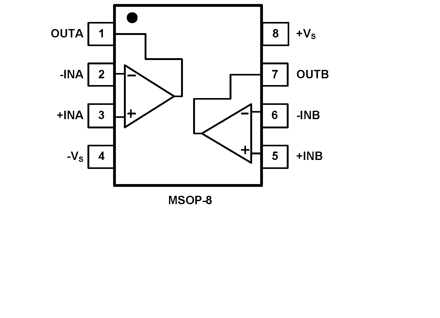
PIN CONFIGUTION

優勢替代
FEATURES
? Rail-to-rail input and output
? Wide bandwidth
? Low power consumption: 1.1mA max.
? Unity gain stability
? High output current: 35mA
? Operating from 2.5V to 5.5V
? Low input bias current
? ESD Internal protection3 5kV
? Latch-up immunity
PIN CONFIGUTION
