High Speed Operational Amplifier,SGM8651 Replace MCP661
SGM8651
SGM8651.pdf
FEATURES
? Low Cost
? Rail-to-Rail Output 2mV Typical VOS
? Gain-Bandwidth Product: 50MHz
? High Slew Rate: 66V/μs
? Settling Time to 0.1% with 2V Step: 60ns
? Overload Recovery Time: 25ns
? Low Noise: 8.7nV/ Hz
? Operates on 2.5V to 5.5V Supplies
? Input Voltage Range = -0.2V to + 3.8V with VS = 5V
? 2.3mA/Amplifier Typical Supply Current
? SGM8651 Available in SOT-23-5 and SOIC-8
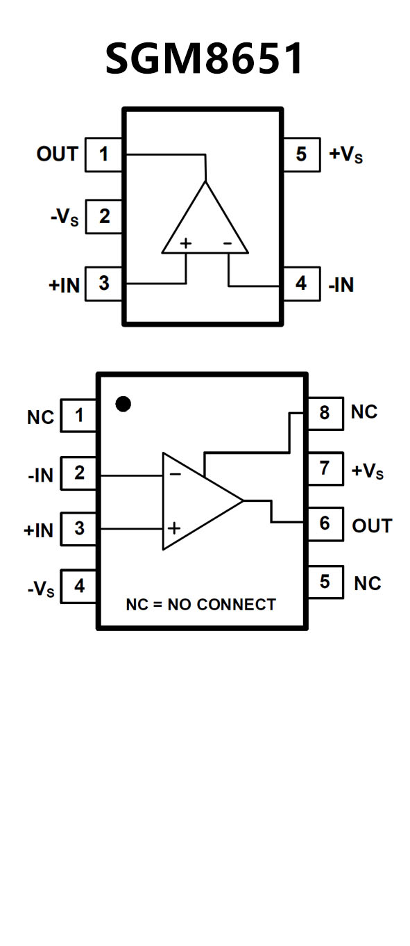
PIN CONFIGUTION

優勢替代
FEATURES
? Gain-Bandwidth Product: 60 MHz (typical)
? Slew Rate: 32 V/μs (typical)
? Noise: 6.8 nV/MHz (typical, at 1 MHz)
? Short Circuit Current: 90 mA (typical)
? Low Input Bias Current: 4 pA (typical)
? Ease of Use:
- Unity-Gain Stable
- Rail-to-Rail Output
- Input Range including Negative Rail
- No Phase Reversal
? Supply Voltage Range: +2.5V to +5.5V
? High Output Current: ±70 mA
? Supply Current: 6.0 mA/ch (typical)
? Low-Power Mode: 1 μA/ch
? Small Packages: SOT23-5, DFN
? Extended Temperature: -40°C to +125°C
PIN CONFIGUTION
