High Precision Operational Amplifier, Replace TS922
SGM8922
SGM8922.pdf
FEATURES
? Rail-to-Rail Output
? Low Noise: 6nV/ Hz
? Low Distortion
? High Output Voltage Swing: 4.73V
(with 100mA Output Current)
? Low Output Voltage Swing: 0.24V
(with 100mA Output Current)
? Supply Voltage Range: 3V to 5.5V
? Low Input Offset Voltage: 0.9mV (MAX, SGM8922A)
? Gain-Bandwidth Product: 12.7MHz
? Slew Rate: 6.8V/μs
? Low Supply Current 3mA/Amplifier (TYP)
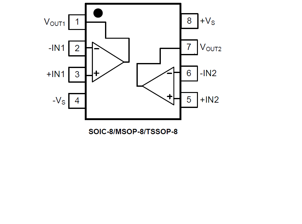
PIN CONFIGUTION

優勢替代
FEATURES
? Rail-to-rail input and output
? Low noise: 9 nV/√Hz
? Low distortion
? High output current: 80 mA (able to drive 32 Ω loads)
? High-speed: 4 MHz, 1 V/μs
? Operating from 2.7 to 12 V
? Low input offset voltage: 900 μV max. (TS922A)
? ESD internal protection: 2 kV
? Latch-up immunity
PIN CONFIGUTION
