No.10525
? Output voltage: 3.3V, 5V, 12V and adjustable output version
? 150KHZ +15% fixed switching frequency
? Voltage mode non-synchronous PWM control
? Thermal-shutdown and current-limit protection
? ON/OFF shutdown control input
? Operating voltage can be up to 40V
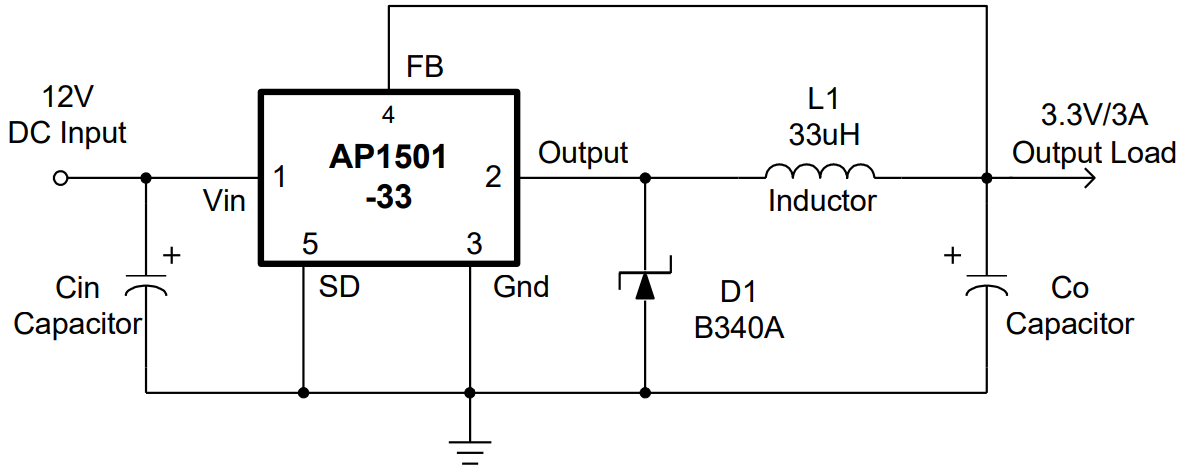
? Output load current: 3A
? Lead Free packages: TO263-5L and TO220-5L(R)
? Low power standby mode
? Built-in switching transistor on chip
The AP1501 is a fully integrated step-down DC/DC converter, with the ability to drive 3A load without the need of additional driver components. The AP1501 operates at a switching frequency of 150kHz enabling the use of small size filter components. As a result, board space is reduced and BOM costs are lowered. The AP1501 has integrated the shutdown function that allows standby mode to be activated via an external logic signal input.
The internal compensation facilitates feedback control for line and load regulation without the need of an external circuitry. The AP1501 has a built-in Thermal shutdown and Current Limit function to prevent damage from high operating temperature and high current operating to the output switch.

