No.10529
? Wide input voltage range: 2.2V – 6V
? 150mV very low dropout at 300mA load
? 500mV very low dropout at 1A load
? Low quiescent current (IQ): 70μA typical
? Adjustable output voltage range: 1V to 5.0V
? Fixed output options: 1V to 3.3V
? Very fast transient response
? High PSRR
? Accurate voltage regulation
? Current limiting and short circuit protection
? Thermal shutdown protection
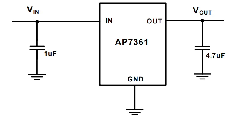
? Stable with ceramic output capacitor ≥ 2.2μF
The AP7361 is a 1A, adjustable and fixed output voltage, ultra-low dropout linear regulator with enable. The device includes pass element, error amplifier, band gap reference, current limit and thermal shutdown circuitry. The device is turned on when EN pin is set to logic high level. The characteristics of the low dropout voltage and low quiescent current make it suitable for low to medium power applications, for example, laptop computers, audio and video applications, and battery powered devices. The typical quiescent current is approximately 70μA. Built-in currentlimit and thermal-shutdown functions prevent IC from damage in fault conditions. The AP7361 is available in DFN3030E-8, SOT223-3L and TO252-3L package.

