No.11096
● Output Current up to 1A
● Fixed Output Voltages of 5V, 6V, 8V, 9V, 12V, 15V and 18V
● Output Voltage Accuracy of ±4% over the Full Temperature Range
● Internal Short Circuit Current Limiting
● Internal Thermal Overload Protection
● Output Transistor Safe-area Protection
● Low Load Regulation
● Stable Performance in High Temperature
● TO-220-3, TO-220-3 (2) and TO-220F-3
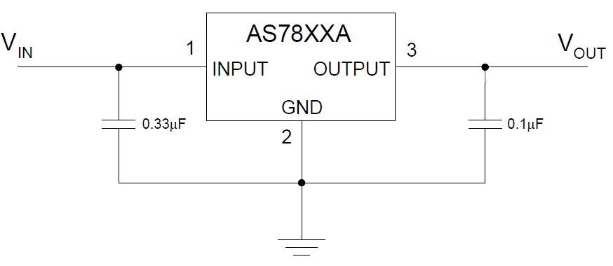
The AS78XXA series are three terminal positive voltage regulators designed for a wide variety of applications including local, on-card regulation.
The AS78XXA are complete with internal current limiting, thermal shutdown protection, and safe-area compensation which make them virtually immune from output overload. If adequate heat sinking is provided, these regulators can deliver output currents up to 1A. The AS78XXA are available in TO-252-2 (3), TO-252-2 (4), TO-252-2 (5), TO-220-3, TO-220-3 (2) and TO-220F-3 packages.

