No.10534
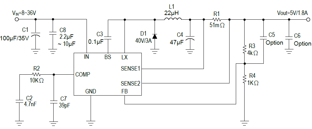
? Input Voltage:8V to 36V
? Vout Accuracy (VFB=1V) ±2%
? CC/CV mode(Constant Current and Constant Voltage)
? Up to 2.3A output current
? ±3%/±5%/15% Current limit Accuracy
? Duty ratio:0% to 90% PWM control
? Oscillation frequency: AX3050A: 250KHz
? Thermal Shutdown function.
? Short Circuit Protect (SCP).
? Built-in internal LX N-channel MOS.
? Current mode non-synchronous PWM converter
? External current limit setting.
? Over Voltage Protection 5.8V.
? Built in adjustable line-compensation.
? SOP-8L-EP Pb-Free packages
AX3050/A is a wide input voltage, high efficiency Active CC step down DC/DC converter that operates in either CV (Constant Output Voltage) mode or CC (Constant Output Current) mode. AX3050/A consists of step down switching regulator with PWM control. The devi c e includes a reference voltage source, oscillation circuit, error amplifier and etc. AX3050/A provides low ripple power, high efficiency, and excellent transient characteri stics. The PWM control circuit is able to the duty ratio linearly forms 0 up to 90%. An over current protection function is built outside that it can set by a resistance. An external compensation is easily to system stable; the low ESR output capacitor can be used.
They serve as ideal power supply units for portable devices when coupled with th e SOP 8L EP package s , providing such outstanding features as low current consumption. Since this converter can acco mmodate an input voltage up to 36

