No.10625
? Wide 5V to 32V Input Voltage Range
? Output Adjustable from 0.8V to 30V
? Maximum Duty Cycle 100%
? Minimum Drop Out 0.6V
? Fixed 300KHz Switching Frequency
? 4A Constant Output Current Capability
? Internal Optimize Power MOSFET
? High efficiency
? Excellent line and load regulation
? TTL shutdown capability
? EN pin with hysteresis function
? Built in thermal shutdown function
? Built in current limit function
? Built in output short protection function
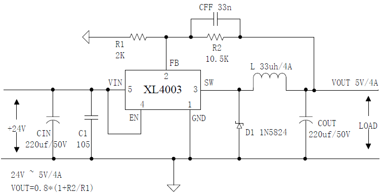
The XL4003 is a 300KHz fixed frequency PWM buck (step-down) DC/DC converter, capable of driving a 4A load with high efficiency, low ripple and excellent line and load regulation. Requiring a minimum number of external components, the regulator is simple to use and include internal frequency compensation and a fixed-frequency oscillator. The PWM control circuit is able to adjust the duty ratio linearly from 0 to 100%.
An enable function, an over current protection function is built inside. When short protection function happens, the operation frequency will be reduced from 300KHz to 60KHz. An internal compensation block is built in to minimize external component count.

