No.12822
? Wide Input Range: 3.8V-36V
? Up to 5A Continuous Output Current
? 0.8V ±1% Feedback Reference Voltage
? Integrated 45m? High-Side and 20mΩ
Low-Side Power MOSFETs
? Pulse Skipping Mode (PSM) with
25uA Quiescent Current in Sleep Mode
? 100ns Minimum On-time
? 4ms Internal Soft-start Time
? Adjustable Frequency 100KHz to 1.1MHz
? External Clock Synchronization
? Frequency Spread Spectrum (FSS)
Modulation for EMI Reduction
? Precision Enable Threshold for Programmable
Input Voltage Under-voltage Lock Out
Protection (UVLO) Threshold and Hysteresis
? Low Dropout Mode Operation
? Derivable Inverting Voltage Regulator
? Over-voltage and Over-Temperature Protection
? Available in an ESOP-8 Package
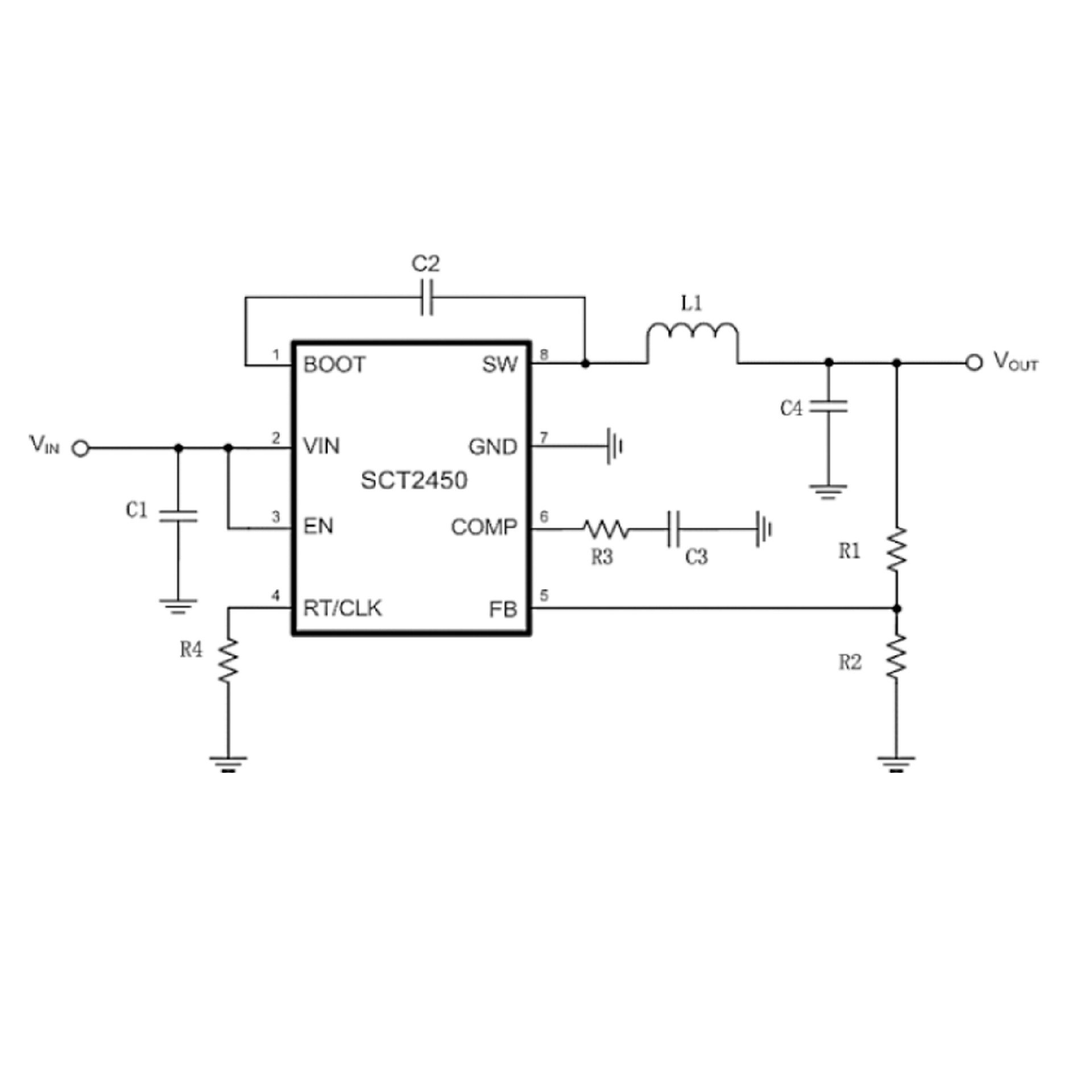
The SCT2450 is 5A synchronous buck converters with wide input voltage, ranging from 3.8V to 36V, which integrates a 45m? high-side MOSFET and a 20m? low-side MOSFET. The SCT2450, adopting the peak current mode control, supports the Pulse Skipping Modulation (PSM) with typical 25uA low quiescent current which assists the converter on achieving high efficiency at light load or standby condition.
The SCT2450 features programmable switching frequency from 100 kHz to 1.1 MHz with an external resistor, which provides the flexibility to optimize either efficiency or external component size. The converter supports external clock synchronization with a frequency band from 100kHz to 1.1MHz. The SCT2450 allows power conversion from high input voltage to low output voltage with a minimum 100ns on-time of high-side MOSFET.
The SCT2450 is an Electromagnetic Interference (EMI) friendly buck converter with implementing optimized design for EMI reduction. The SCT2450 features Frequency Spread Spectrum FSS with ±6% jittering span of the 500kHz switching frequency and modulation rate 1/512 of switching frequency to reduce the conducted EMI.
The SCT2450 offers cycle-by-cycle current limit and hiccup over current protection, thermal shutdown protection, output over-voltage protection and input voltage under-voltage protection. The device is available in an 8-pin thermally enhanced SOP-8 package.

