3.8V-60V Vin, 1.5A, High Efficiency Step-down DCDC Converter with Programmable Frequency.
SCT2610MRER
SCT2610MRER.pdf
No.14099
FEATURES
? Wide Input Range: 3.8V-60V
? Up to 1.5A Continuous Output Current
? 0.8V ±1% Feedback Reference Voltage
? Integrated 220m? High-Side
? Low Quiescent Current: 160uA
? Pulse Skipping Mode (PSM) in light load
? 130ns Minimum On-time
? Programmable Soft-start Time
? Adjustable Frequency 100KHz to 1.2MHz
? UV and OV Power Good Output
? External Clock Synchronization
? Precision Enable Threshold for Programmable
Input Voltage Under-Voltage Lock Out Protection
(UVLO) Threshold and Hysteresis
? Low Dropout Mode Operation
? Derivable Inverting Voltage Regulator
? Over-voltage and Over-Temperature Protection
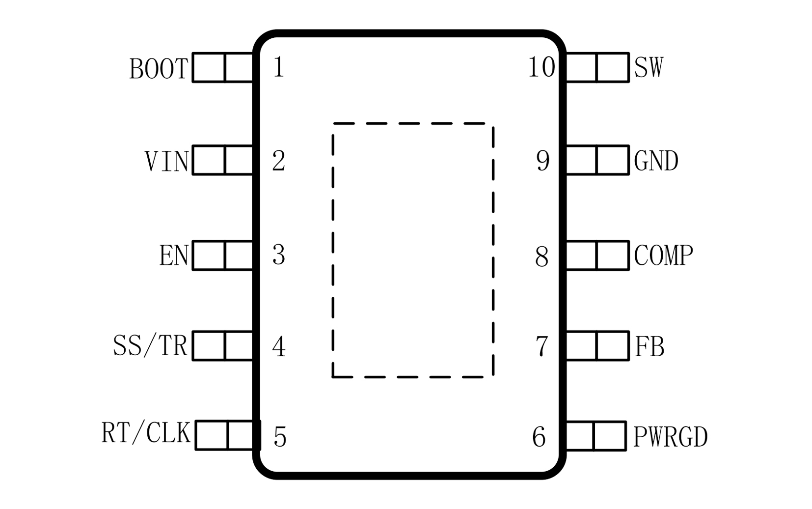
? Available in an EMSOP-10 Package
DESCRIPTION
The SCT2610 is 1.5A buck converters with wide input voltage, ranging from 3.8V to 60V, which integrates an 220m? high-side MOSFET. The SCT2610, adopting the peak current mode control, supports the Pulse Skipping Modulation (PSM) which assists the converter on achieving high efficiency at light load or standby condition.
The SCT2610 features programmable switching frequency from 100 kHz to 1.2 MHz with an external resistor, which provides the flexibility to optimize either efficiency or external component size. The converter supports external clock synchronization with a frequency band from 100kHz to 1.2MHz. The SCT2610 allows power conversion from high input voltage to low output voltage with a minimum 130ns on-time of high-side MOSFET.
The device offers programmable soft start to prevent inrush current during the startup of output voltage ramping. The SCT2610 features external loop compensation to provide the flexibility to optimize either loop stability or loop response.
The SCT2610 provides cycle-by-cycle current limit, thermal shutdown protection, output over-voltage protection and input voltage under-voltage protection. The device is available in an 10-pin EMSOP-10 package.
APPLICATION CIRCUIT

PIN CONFIGUTION
