2A Buck Converter With 340KHz in SOP8-EP
ACP2812
ACP2812.pdf
No.13171
FEATURES
? VOUT Range:4.5V to 18V
? Output Current:2A
? Fixed 340kHz Frequency
? Up to 95% Efficiency
? Current Mode Control
? Over Current Protection
? Thermal Shutdown Function
? Built-In UVLO Function
? Over Voltage Protection
? Programmable Soft-start
DESCRIPTION
The ACP2812 is a 2A, PWM synchronous buck DC-DC converter with a 340kHz fixed frequency wide input voltage range of 4.5V to 18V, capable of driving a 2A load with high efficiency. The device integrates N-channel power MOSFET switches with low on resistance. Current mode control provides fast transient response and cycle-by-cycle current limit. The device is available in the SOP8-EP packages
APPLICATION CIRCUIT

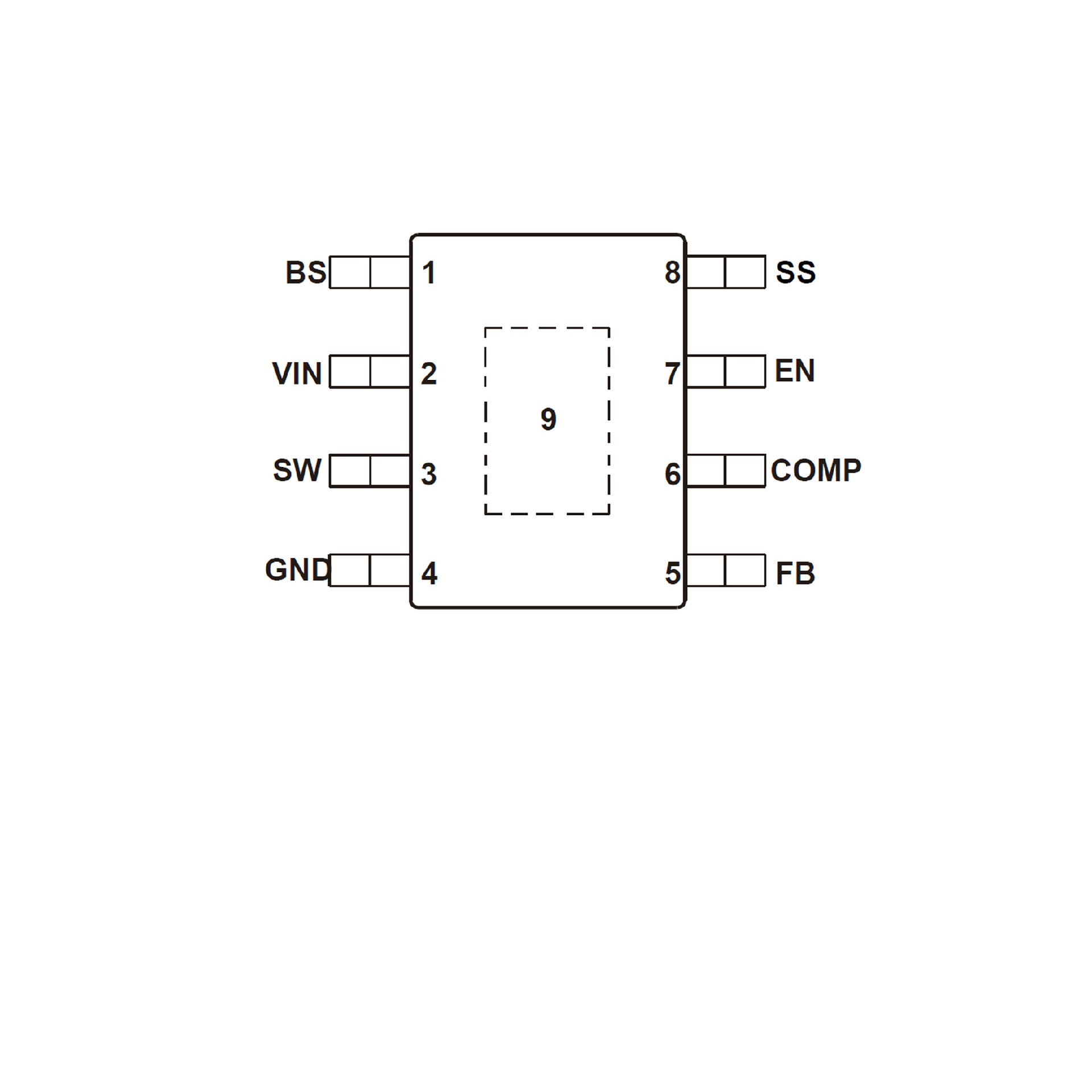
PIN CONFIGUTION
