No.10172
● Operating Voltage Range: 2.4V ~ 6V
● Adjustable Output with 0.6V Reference Voltage
● Guaranteed 2A Output Current
● Automatic PFM Mode at Light Load
● Low Dropout 100% Duty Operation
● High 1MHz Operating Frequency
● Maximum 1μA Shutdown Current
● Internal Soft Start Function
● Excellent Line and Load Transient Response
● Short Circuit Protection
● Input Over Voltage Protection
● Under Voltage Lockout Protection
● Thermal Shutdown Protection
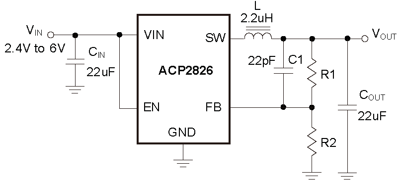
The ACP2826 is a high-efficiency, DC/DC step-down switching regulators, capable of delivering up to 2A of output current. The device operates from an input voltage range of 2.4V to 6.0V and provides an output voltage from 0.6V to VIN, making the ACP2826 ideal for low voltage power conversions. Running at a fixed frequency of 1MHz allows the use of small external components, such as ceramic input and output caps, as well as small inductors, while still providing low output ripples. This low noise output along with its excellent efficiency achieved by the internal synchronous rectifier, making ACP2826 an ideal green replacement for large power consuming linear regulators. Internal soft-start control circuitry reduces inrush current. Short-circuit and thermal-overload protection, input over voltage and input under voltage lockout protection improves design reliability. The device is available in an SOT25 package.

