No.11076
High Efficiency up to 96%
Up to 2A Load Current
300μA Typical Quiescent Current
● 1.5MHz Constant Switching Frequency
● 2.7V to 5.5V Input Voltage Range
● Adjustable Output Voltage as Low as 0.7V
● 100% Duty Cycle Low Dropout Operation
● No Schottky Diode Required
● Short Circuit and Thermal Protection
● Excellent Line and Load Transient Response
● <1μA Shutdown Current
● Built-In Soft-Start
● Available in MSOP-10 and TDFN-10 Package
● RoHS Compliant and 100% Lead(Pb)-Free Halogen-Free
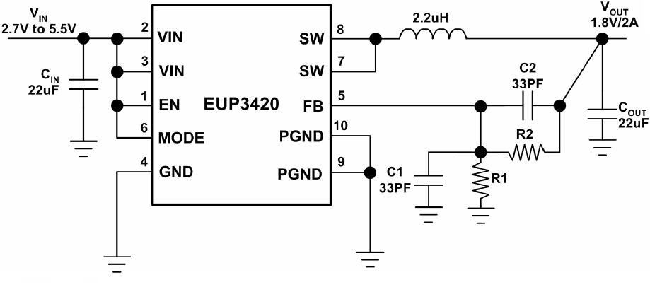
The EUP3420 is a synchronous current mode step-down dc-dc converter, capable of delivering 2A load current with excellent line and load regulation. Operating with an input voltage range between 2.7V and 5.5V, the device is ideal for portable applications powered by a single Li-Ion battery cell or by 3 cell NiMH/NiCd batteries. The EUP3420 operates at 1.5MHz fixed frequency PWM mode and provides very low output ripple voltage for noise sensitive applications. The internal integrated synchronous switch increases efficiency while eliminates the need for an external Schottky diode. The EUP3420 is available in the 10-pin MSOP and 10-pin TDFN package.

