No.13130
? 9V to 30V Input Voltage Range
? Current Mode PWM controller with good dynamic
? Internal Soft-Start
? External PWM Dimming Control
? Over Voltage Protection
? Over Current Protection
? Under Voltage Lockout
? Thermal Shutdown Protection
? LED cathode short to GND Protection
? LED Open Protection
? SOP-8 Package
? RoHS Compliant and 100% Lead (Pb)-Free
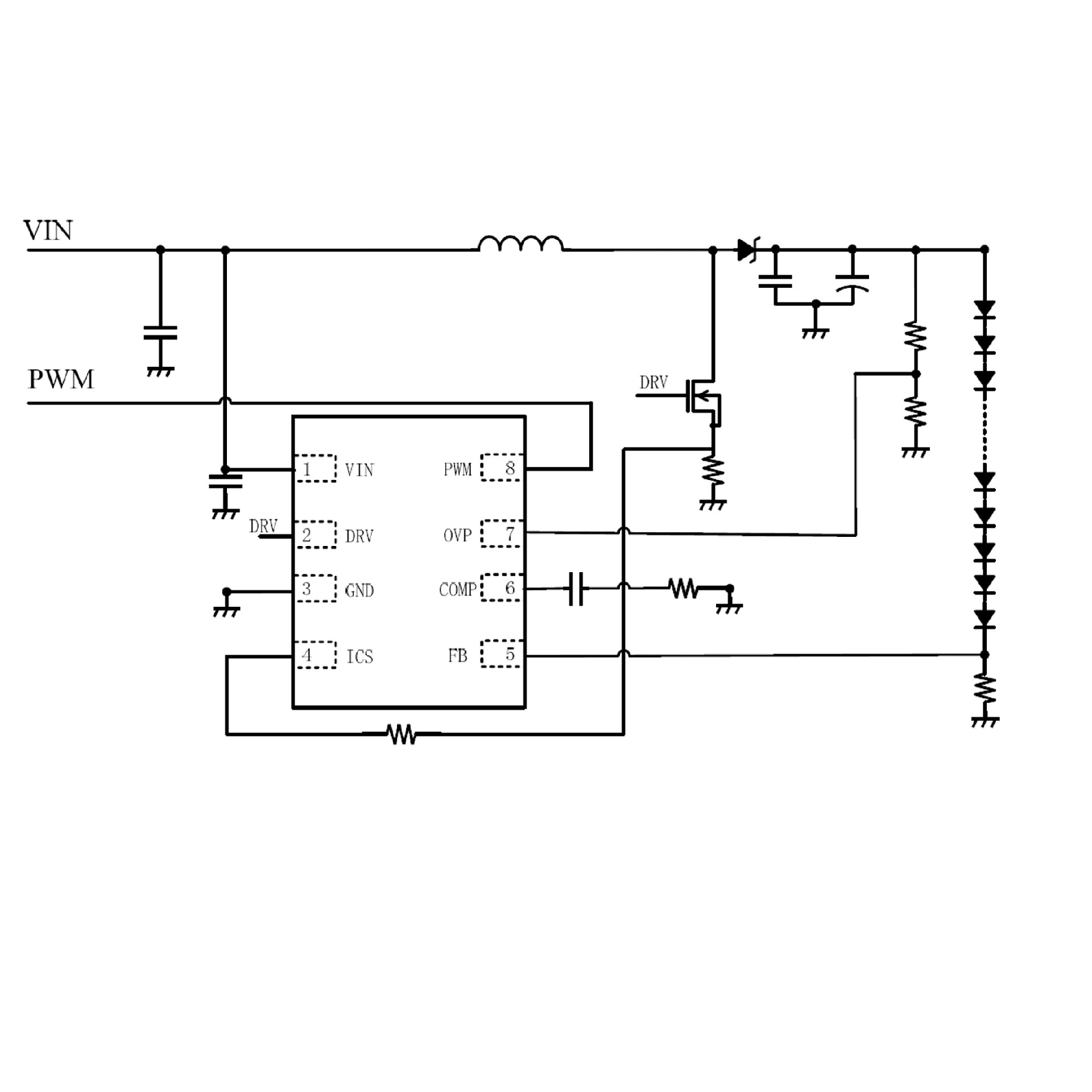
The EUP2950A is a high performance controller for LED Backlight. The internal soft start function can reduce the inrush current. The device uses current mode, fixed frequency architecture to regulate the LED current, which is measured through an external current sense resistor. Its low 300mV feedback voltage reduces power loss and improves efficiency.
The EUP2950A offers external low frequency PWM dimming method for a wide range of dimming control.
The EUP2950A integrated multiple protections, such as over current protection (OCP), over voltage protection (OVP), Diode & Inductor short protection, LED cathode short to GND protection, Under Voltage Lockout (UVLO), Thermal Shutdown Protection (OTP), and LED open protection.
The EUP2950A is available in SOP-8 package to provide the best solution for PCB space saving and total BOM cost.

