No.10939
● 90mΩ (TYP) High-side MOSFET per Channel
● 1.1A Current Limit
● Input Voltage Range: 2.7V to 5.5V
● Low Quiescent Current: 28μA (Dual-Channel)
● Soft-Start Function
● Short-Circuit Protection with Thermal Shutdown
● Thermally Isolated Channels
● Fault Status Flag with 4ms Filter Eliminates False Assertions
● Under-Voltage Lockout Protection for VIN
● No Reversed Leakage Current
● 1.8V Logic-Compatible Inputs
● Available in the Green SOIC-8 and TDFN-3×3-8L Packages
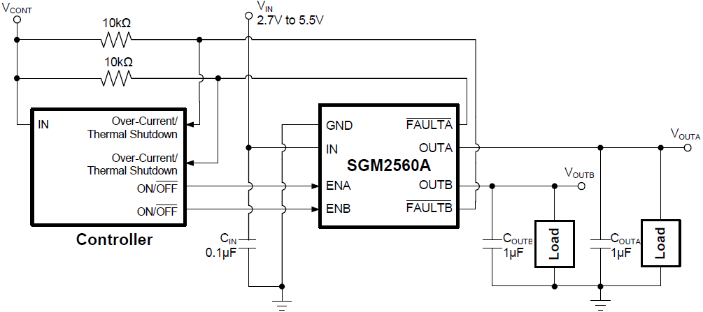
The SGM2560 is a high-side MOSFET switch optimized for general-purpose power distribution requiring circuit protection. A built-in charge pump is used to drive the MOSFET that is free of parasitic body diode to eliminate any reversed current flow across the switch. The SGM2560 is internally current limited and has thermal shutdown that protects the device and load. The SGM2560 offers “smart” thermal shutdown that reduces current consumption in fault modes. When a thermal shutdown fault occurs, the output is latched off until the faulty load is removed. Removing the load or toggling the enable input will reset the device output.
This device employs soft-start circuitry that minimizes inrush current in applications where highly capacitive loads are employed. The FAULT output asserts low during over-current and thermal shutdown conditions. Transient faults are internally filtered.

