No.11018
● Single Inductor for Triple Outputs
● High Efficiency in Wide Output Loading Range
● 850kHz PWM Mode Control Switching Frequency
● Pulse-Skip Operation in Light Load Condition
● Programmable Outputs with 1-Wire Interface
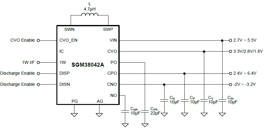
VCPO = 2.4V to 6.4V
VCNO = -2V to -3.2V
● Auxiliary Output Rail: Fixed 3.3V, 2.8V or 1.8V
● 100mA Output Current for VCPO and VCNO
● Configurable Active Discharge
● Internal Soft-Start to limit Inrush Current
● Over-Temperature Protection (OTP)
● Over-Current Protection (OCP)
● Short Circuit Protection (SCP)
The SGM38042A generates both positive and negative precision regulated voltage power sources with a control scheme for single inductor dual output converter. The positive output is programmable from 2.4V to 6.4V with 100mV per step, and the negative output is programmable from -2V to -3.2V with 50mV per step.
A linear regulator capable of 50mA output current is also integrated. The device is equipped with 1-Wire interface. With input in the range of 2.7V to 5.5V, the device is optimized for loading 100mA in boost-inverter mode and also works in buck-inverter mode.
The SGM38042A is available in a Green WLCSP- 1.51×2.10-15B package. It operates over an ambient temperature range of -40℃ to +85℃.

