No.11019
● Single Inductor for Triple Outputs
● High Efficiency in Wide Output Loading Range
● 1.6MHz PWM Mode Control Switching Frequency
● Pulse-Skip Operation in Light Load Condition
● Programmable Outputs with 1-Wire Interface
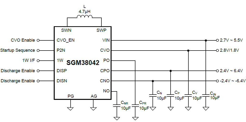
VCPO = +2.4V ~ +6.4V
VCNO = -2.4V ~ -6.4V
● Auxiliary Output Rail: Fixed 2.8V or 1.8V
● 40mA Output Current for VCPO and VCNO
● Configurable Active Discharge
● Internal Soft-Start to limit Inrush Current
● Over-Temperature Protection (OTP)
● Over-Current Protection (OCP)
● Short Circuit Protection (SCP)
The SGM38042 generates both positive and negative precision regulated voltage power sources with a control scheme for single inductor dual output converter. Outputs are programmable in 100mV steps in 2.4V to 6.4V range, which are commonly used in drivers for LCD displays and AMOLED displays, as well as in any other circuits requiring both rails. A linear regulator capable of 50mA output current is also integrated. The device is equipped with 1-Wire interface. With input in the range of 2.7V to 5.5V, the device is optimized for loading 40mA in boost-inverter mode and also works in buck-inverter mode.
The SGM38042 is available in Green WLCSP- 1.51×2.10-15B package. It operates over an ambient temperature range of -40℃ to +85℃.

