No.11036
● Ultra-High Speed: tPD = 3.8ns (TYP) into 50pF at VCC = 3.3V
● High Output Drive: ±24mA at VCC = 3V
● Broad VCC Operating Range: 1.65V to 5.5V
● Matches Performance of LCX Operated at VCC = 3.3V
● Power Down High-Impedance Inputs/Output
● Over-Voltage Tolerance Inputs Facilitate 5V to 3V Translation
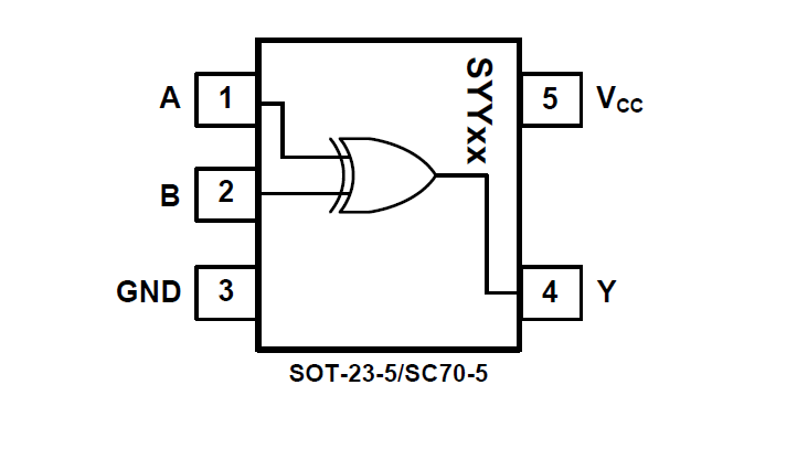
● Available in Green SOT-23-5 and SC70-5 Packages
The SGM7SZ32 is a single two-input OR gate from SGMICRO's Small Logic series. The device is fabricated with advanced CMOS technology to achieve ultra-high speed with high output drive while maintaining low static power dissipation over a broad VCC operating range. The device is specified to operate over the 1.65V to 5.5V VCC operating range. The inputs and output are high impedance when VCC is 0V. Inputs tolerate voltages up to 6V, independent of VCC operating voltage.
The SGM7SZ32 is available in Green SOT-23-5 and SC70-5 packages. It operates over an ambient temperature range of -40℃ to +85℃.

