No.11121
? 8 x 6 Crosspoint Switch Matrix
? One - to - One or One - to - Many Input - to - Output Switching
? I2C - Compatible Digital Interface, Standard Mode
? Supports SD, PS, and HD Video
? Input Clamp and Bias Circuitry
? Doubly Terminated 75Ω Cable Drivers
? Programmable 0dB or 6dB Gain
? AC- or DC-Coupled Inputs
? AC- or DC-Coupled Outputs
? Single Supply: 3.1V to 5.5V
? Green TSSOP24 Package
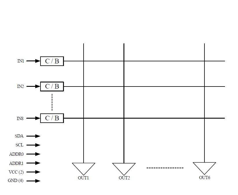
The SGM6502 provides eight inputs that can be routed to any of six outputs. Each input can be routed to one or more outputs, but only one input may be routed to any output. Each input supports an integrated clamp option to set the output sync tip level of video with sync to ~600mV. Alternatively, the input may be internally biased to center output signals without sync (Chroma, Pb, Pr) at ~1.3V. All outputs are designed to drive a 150Ω DC-coupled load. Each output can be programmed to provide either 0dB or 6dB of signal gain. Input-to-output routing and input bias mode functions are controlled via an I2C-compatible digital interface.
The SGM6502 is available in Green TSSOP24 package. It operates over an ambient temperature range of -40℃ to +85℃.

