No.11122
? Low Cost
? RON is Typically 6Ω at 3.0V
? Low Bit-to-Bit Skew: 50ps (TYP)
? Voltage Operation: 1.8V to 4.3V
? Fast Switching Times:
tON 10ns
tOFF 22ns
? Low Crosstalk: -40dB at 250MHz
? Power-Off Protection when V+ = 0V,
D+/D- Pins can Tolerate up to 5.25V
? High Off-Isolation: -35dB at 250MHz
? Rail-to-Rail Input and Output Operation
? Break-Before-Make Switching
? Extended Industrial Temperature Range: -40℃ to +85℃
? Small Package: TQFN-1.8×1.4-10L
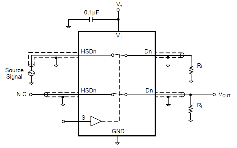
The SGM7228 is a high-speed, low-power double-pole/double-throw (DPDT) analog switch that operates from a single 1.8V to 4.3V power supply. SGM7228 is designed for the switching of high-speed USB 2.0 signals in handset and consumer applications, such as cell phones, digital cameras, and notebooks with hubs or controllers with limited USB I/Os.
The SGM7228 has low bit-to-bit skew and high channel-to-channel noise isolation, and is compatible with various standards, such as high-speed USB 2.0 (480 Mbps). Each switch is bidirectional and offers little or no attenuation of the high-speed signals at the outputs. Its bandwidth is wide enough to pass high-speed USB 2.0 differential signals (480 Mb/s) with good signal integrity.
The SGM7228 contains special circuitry on the D+/Dpins which allows the device to withstand a VBUS short to D+ or D- when the USB devices are either powered off or powered on.

