No.11132
● Guaranteed On-Resistance 48Ω (TYP) with +5V Supply
● Guaranteed On-Resistance Match Between Channels
● Low Off-Leakage Current 1nA (TYP) at +25℃
● Low On-Leakage Current 1nA (TYP) at +25℃
● Optimized Rise Time and Fall Time of A, B, C Control
Pins to Reduce Clock Feedthrough Effect
● 2.5V to 5.5V Single-Supply Operation
● 1.8V Logic Compatible
● Low Distortion: 0.7% (RL = 600Ω, f = 20Hz to 20kHz)
● High Off-Isolation: -83dB (RL = 50Ω, f = 1MHz)
● Low Crosstalk: -110dB (RL = 50Ω, f = 1MHz)
● -40℃ to +85℃ Operating Temperature Range
● Available in Green SOIC-16, SSOP-16, TSSOP-16 and
TQFN-3×3-16L Packages
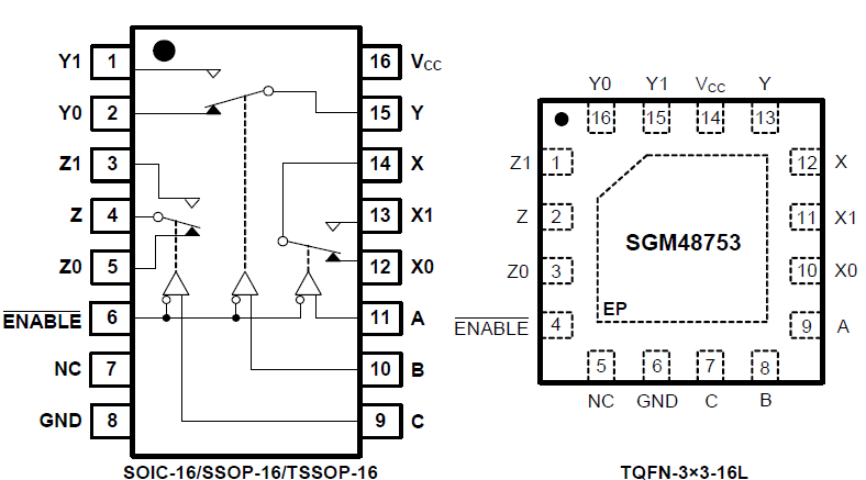
The SGM48753 is a CMOS analog IC configured as three single-pole/double-throw (SPDT) switches. This CMOS device can operate from 2.5V to 5.5V single supplies. Each switch can handle rail-to-rail analog signals. The off-leakage current is only 1nA (TYP) at +25℃. All digital inputs can support 1.8V logic control I/O.
The SGM48753 is available in Green SOIC-16, SSOP-16, TSSOP-16 and TQFN-3×3-16L packages. It operates over an ambient temperature range of -40℃ to +85℃.

