No.11153
● Voltage Operation: 1.8V to 5.5V
● On-Resistance: 0.8Ω (TYP)
● -3dB Bandwidth: 90MHz
● High Off-Isolation: -45dB at 10MHz
● Rail-to-Rail Operation
● Low Static Power
● TTL/CMOS Compatible
● Break-Before-Make Switching
● Extended Industrial Temperature Range: -40℃ to +85℃
● Microsize Package
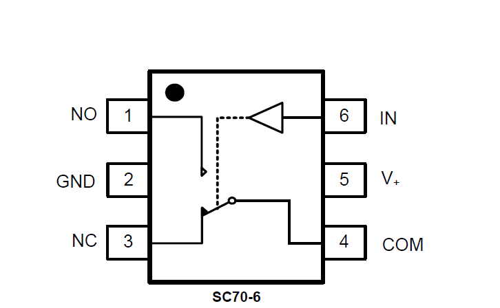
The SGM4157YC is a single low on-resistance (0.8Ω), fast single-pole double-throw (SPDT) CMOS switch. It is designed for low operating voltage, high current switching of speaker output for cell phone applications. The SGM4157YC can handle a balanced microphone/ speaker/ring tone generator in a monophone mode. The device contains a break?before?make (BBM) feature. The control input, IN, tolerates input drive signals up to 5.5V, independent of supply voltage.
SGM4157YC is available in SC70-6 package.

