No.11167
● Voltage Operation: 1.8V to 5.5V
● On-Resistance: 4.5Ω (TYP) at 5.0V
● Fast Switching Times
tON 20ns
tOFF 15ns
● High Bandwidth: 270MHz
● High Off-Isolation: -51dB at 10MHz
● Rail-to-Rail Operation
● TTL/CMOS Compatible
● Break-Before-Make Switching
● Extended Industrial Temperature Range: -40℃ to +85℃
● Lead (Pb) Free TDFN-12 Package
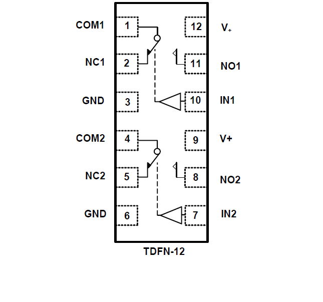
The SGM3158 is a dual, bidirectional, single-pole/double-throw (SPDT) CMOS analog switch designed to operate from a single +1.8V to +5.5V supply. It features high-bandwidth (270MHz) and low on-resistance (4.5Ω TYP), targeted applications for audio switching. SGM3158 features guaranteed on-resistance matching (0.3Ω MAX) between switches and guaranteed on-resistance flatness over the signal range (2.3Ω TYP).
This ensures excellent linearity and low distortion when switching audio signals. SGM3158 is available in a TDFN-12 package.

