No.11170
● Low Voltage Operation: 1.8V to 5.5V
● Low On-Resistance: 0.5Ω (TYP)
● Low On-Resistance Flatness
● -3dB Bandwidth: 15MHz
● Fast Switching Times
tON 50ns
tOFF 15ns
● Rail-to-Rail Operation
● Typical Power Consumption (< 0.01μW)
● TTL/CMOS Compatible
● Microsize Packages
The SGM3005 is a dual, low on-resistance, low voltage, bidirectional, single-pole/double-throw (SPDT) CMOS analog switch designed to operate from a single 1.8V to 5.5V power supply. Targeted applications include battery powered equipment that benefit from low RON (0.5Ω) and fast switching speeds (tON = 50ns, tOFF = 15ns).
The on-resistance profile is very flat over the full analog signal range. This ensures excellent linearity and low distortion when switching audio signals.
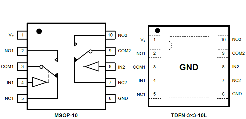
The SGM3005 is a committed dual single-pole/ double-throw (SPDT) that consist of two normally open (NO) and two normally close (NC) switches. This configuration can be used as a dual 2-to-1 multiplexer.
The SGM3005 is available in Green TDFN-3×3-10L and MSOP-10 packages.

