No.11177
? Three Selectable 6th-Order SD/HD Filters
? Three Fixed 6th-Order Standard Definition Filters
? Transparent Input Clamping
? Single Video Load Drive (2VPP, 150Ω, AV = 6dB)
? AC- or DC-Coupled Inputs
? Single Supply Range: 3.3V to 5.5V
? Available in Green TSSOP-20 Package
? -40°C to +85°C Operating Temperature Range
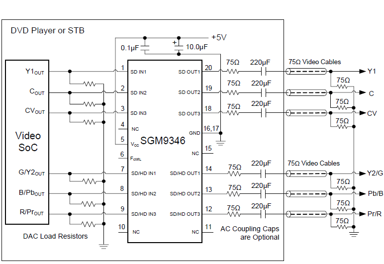
The SGM9346 Low Cost Video Filter (LCVF) is intended to replace passive LC filters and drivers with a low-cost integrated device. Six 6th-order Butterworth filters provide improved image quality compared to typical passive solutions. The combination of low power Standard Definition (SD) and High Definition (HD) filters greatly simplifies DVD video output circuitry. Three channels offer fixed SD filters while the other three are selectable between SD and HD filters.
The SGM9346 offers a fixed gain of 6dB. It may be directly driven by a DC-coupled DAC output or an AC-coupled signal. Internal diode clamps and bias circuitry may be used if AC-coupled inputs are required.
The outputs can drive AC- or DC-coupled single (150Ω) video load. DC coupling the output removes the need for output coupling capacitors. The input DC levels will be offset approximately 503mV at the output.

