No.11244
● Single Supply
● Wide Supply Voltage Range: 2.8V to 36V
● Internal Voltage Reference: 1.225V
● Open-Drain Output
● Low Supply Current Independent of Supply Voltage: 180μA (TYP)
● Low Input Offset Voltage: 2.4mV (MAX)
● Low Input Bias Current: ±20pA (TYP)
● Input Common Mode Voltage Range Includes Ground
● Differential Input Voltage Range Equal to Maximum-Rated Supply Voltage: ±36V
● Low Output Saturation Voltage
● Output Compatible with TTL and CMOS
● -40℃ to +125℃ Operating Temperature Range
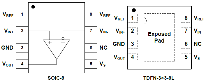
● Available in Green SOIC-8 and TDFN-3×3-8L Packages
The SGM8771 consists of an independent voltage comparator and a 1.225V voltage reference. The device is designed to operate from a single power supply over a wide voltage range, from 2.8V to 36V. Input common mode voltage is 1.5V lower than VS. Low supply current is independent of the supply voltage. The output can be connected to other open-drain output to achieve wired-AND relationships.
Input offset voltage is 2.4mV (MAX), so the SGM8771 can be used as a precision comparator in application. The 1.225V voltage reference saves external reference and reduces system cost.
The SGM8771 is available in Green SOIC-8 and TDFN-3×3-8L packages. It is operated over the -40℃ to +125℃ temperature range.
