No.11252
● Rail-to-Rail Input and Output
● Low Noise: 38nV/ Hz
● Supply Voltage Range: 1.8V to 5.5V
● Low Input Offset Voltage: 0.15mV (TYP)
● Gain Bandwidth Product: 1.5MHz
● Slew Rate: 0.8V/μs
● Low Supply Current: 120μA/Amplifier (TYP)
● Small Packaging:
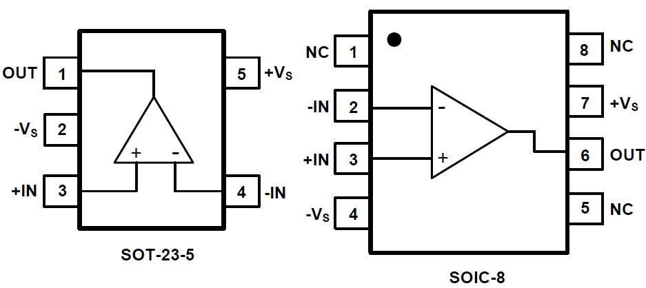
SGM8941 Available in SOT-23-5 and SOIC-8 Packages
The SGM8941 and SGM8942 are high-performance CMOS operational amplifiers optimized for low supply operation. These amplifiers are designed to operate on single supplies from 1.8V to 5.5V. Applications include sensor amplification and signal conditioning in battery-powered systems.
The SGM8941 and SGM8942 offer excellent CMRR without the crossover distortion associated with traditional complimentary input stages. This results in excellent linearity performance. The input common mode range includes both the negative and positive supplies.
The SGM8941/2 provide excellent overall performance. They exhibit low noise and offset, making these devices an excellent choice for high quality, low voltage or battery powered systems.
