No.11260
? True Bipolar Output Greater than ±10V from a Single 15V Supply
Eliminates Space and Cost of Negative Power Supply
? Integrated Negative LDO to Cancel Charge Pump Noise
? Low Input Offset Voltage: 25μV (MAX)
? 10nV/Hz Low Input Noise at 1kHz Provides Wide ADC Dynamic Range
? Slew Rate: 6V/μs (TYP)
? 7.5MHz Gain-Bandwidth Product Provides Wide Frequency Input Range
? Quiescent Current: 4.2mA (TYP)
? -40℃ to +125℃ Operating Temperature Range
? Available in Green TSSOP-14 Package
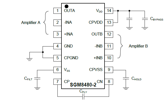
The SGM8480-2 precision, low-noise, low-drift dual operational amplifier offers true-zero output that allows the output to cross zero maximizing the dynamic range of an ADC and increasing resolution. In addition, the input common mode range extends from (+VS) - 1.5V down to (-VS) + 3V. The SGM8480-2 integrates charge pump circuitry that generates the negative voltage rail in conjunction with external capacitors. This allows the amplifier to operate from a single 4.5V to 18V power supply, but it is as effective as a normal dual-rail ±4.5V to ±18V amplifier. The architecture eliminates the need for a negative power-supply rail, saving system cost and size.
The SGM8480-2 is unity-gain stable with a gain- bandwidth product of 7.5MHz. The device features low offset voltage of 25μV (MAX), and 200nVP-P noise from 0.1Hz to 10Hz. The low offset and noise specifications and wide input common mode range make the device ideal for sensor transmitters and interfaces. Varying the external charge pump capacitors enables the charge pump noise to be minimized.

