No.11278
? Wide Supply Ranges
Single Supply: 3V to 32V
Dual Supplies: ±1.5V to ±16V
? Low Quiescent Current: 240μA (TYP)
? Gain-Bandwidth Product: 1.1MHz
? Input Common Mode Voltage Range Includes Ground,
Allowing Direct Sensing Near Ground
? Low Input Offset Voltage: 5.8mV (MAX)
? Low Input Offset Current: 20pA (TYP)
? Low Input Bias Current: 10pA (TYP)
? Differential Input Voltage Range Equal to Maximum- Rated
Supply Voltage: 32V
? Open-Loop Differential Voltage Gain: 111dB (TYP)
? Internal Frequency Compensation
? 0℃ to +70℃ Operating Temperature Range
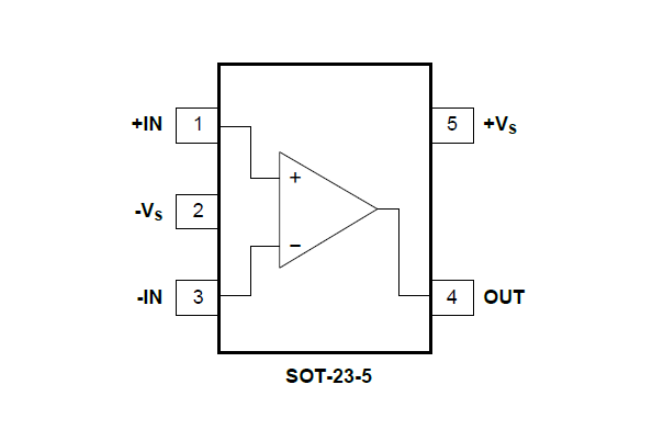
? Available in a Green SOT-23-5 Package
The LM321 is an independent, high-gain frequency- compensated operational amplifier designed to operate from a single supply or dual supplies over a wide range of voltages.
The LM321 is available in a Green SOT-23-5 package. It is specified over the 0℃ to +70℃ temperature range.

