No.11283
? Low Offset Voltage: 3μV (TYP)
? 4.5V to 36V Single Supply Operation
? Input Signal Range:
(-VS) - 0.1V to (+VS) + 1V for Dual Power Supplies
GND - 0.1V to (+VS) + 1V for Single Power Supply
? Rail-to-Rail Output
? Gain: 50V/V
? PSRR: 140dB (TYP)
? CMRR: 110dB (TYP)
? 0.1Hz to 10Hz Noise: 0.75μVP-P
? 36nV/Hz Voltage Noise Density at 1kHz
? -3dB Bandwidth: 200kHz
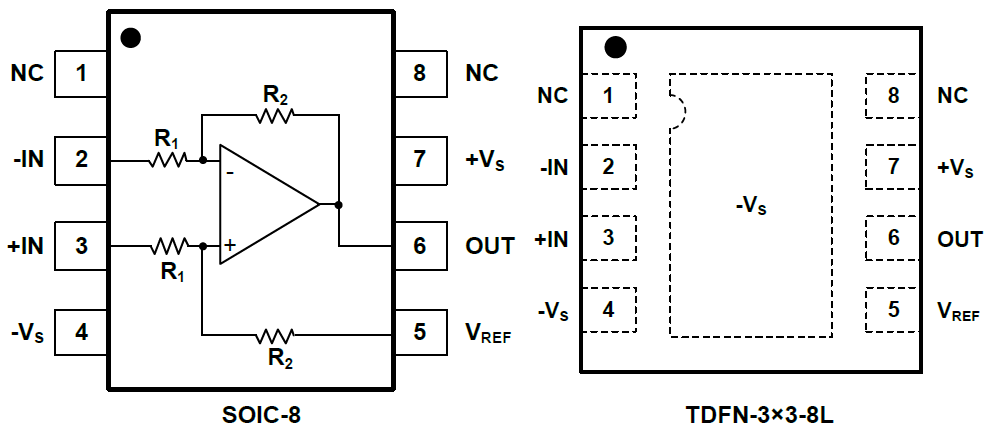
? Integrated Matched Resistors for Differential Applications
? Supply Current: 1.5mA (TYP)
? Overload Recovery Time: 1μs
? -40℃ to +125℃ Operating Temperature Range
? Available in Green SOIC-8 and TDFN-3×3-8L Packages
SGM8478-1C is a low noise, high precision difference amplifier with low input offset voltage. Its input common mode voltage range covers up to +VS + 1V. And this device is guaranteed to operate from 4.5V to 36V.
SGM8478-1C's wide input voltage range makes this device suitable for current sensing applications. Meanwhile, SGM8478-1C features high linearity and high accuracy. The combination of these characteristics makes the SGM8478-1C a good choice for temperature, position and pressure sensors, medical equipment and strain gauge amplifiers, or any other 4.5V to 36V applications requiring precision and long term stability.
Integrated matched resistors for differential applications save external components. The gain of SGM8478-1C is 50V/V.
The SGM8478-1C is available in Green SOIC-8 and TDFN-3×3-8L packages. It operates over an ambient temperature range of -40℃ to +125℃.

