No.11293
● Rail-to-Rail Input and Output
● Input Offset Voltage: 240μV (MAX)
● High Gain-Bandwidth Product: 27MHz
● High Slew Rate: 30V/μs
● Settling Time to 0.1% with 2V Step: 120ns
● Overload Recovery Time: 60ns
● Low Noise: 8nV/Hz at 10kHz
● Supply Voltage Range: 2.1V to 5.5V
● Input Voltage Range: -0.1V to 5.6V with VS = 5.5V
● Low Power: Supply Current: 2.7mA/Amplifier (TYP)
● -40℃ to +125℃ Operating Temperature Range
The SGM8967-1/2/3/4 are a family of single, dual and quad rail-to-rail input and output operational amplifiers with 27MHz gain-bandwidth product and 30V/μs slew rate, while consuming only 2.7mA quiescent current per amplifier at 5.5V. The SGM8967-3 has a power-down disable feature that reduces the supply current to 0.1μA.
The SGM8967-1/2/3/4 feature a 240μV maximum input offset, and the devices are optimized for low voltage operation from 2.1V to 5.5V.
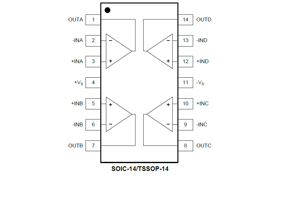
The single version, SGM8967-1 is available in Green SOT-23-5 and SOIC-8 packages. SGM8967-3 is available in a Green SOT-23-6 package. The dual version SGM8967-2 is available in Green SOIC-8 and MSOP-8 packages. The quad version SGM8967-4 is available in Green SOIC-14 and TSSOP-14 packages. They are specified over the extended industrial temperature range (-40℃ to +125℃).

