No.11301
? Wide Input Common Mode and Differential Voltage Ranges
? Low Input Bias and Offset Current
? Output Short-Circuit Protection
? Rail-to-Rail Input and Output
? High Input Impedance
? Low Offset Voltage: 0.3mV (TYP), 1.5mV (MAX)
? Low Noise: 10nV/Hz at 1kHz
? Gain-Bandwidth Product: 10MHz
? High Slew Rate: 8V/μs
? -40℃ to +125℃ Operating Temperature Range
The SGM8276-1 (single), SGM8276-2 (dual) and SGM8276-4 (quad) are low noise, high precision, high voltage operational amplifiers that are designed to offer a wide input common mode voltage range and output voltage swing. These devices can operate from ±1.65V to ±18V dual power supplies or from 3.3V to 36V single supply.
The devices feature low noise, high slew rate, low input bias and offset current, low offset voltage and low offset voltage temperature coefficient.
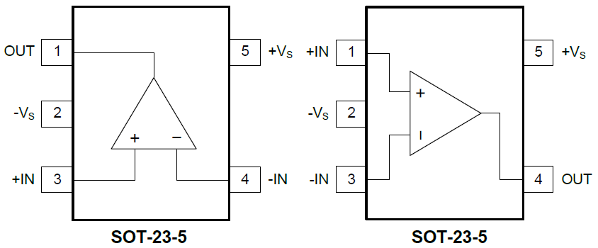
The single SGM8276-1 is available in a Green SOT-23-5 package. The dual SGM8276-2 is available in a Green SOIC-8 package. The quad SGM8276-4 is available in a Green SOIC-14 package. The SGM8276-1/2/4 are specified over the extended -40℃ to +125℃ temperature range.
