No.11331
● Low Cost
● Rail-to-Rail Input and Output 0.8mV Typical VOS
● Unity Gain Stable
● Very Low Input Bias Current: 0.5pA
● Supply Voltage Range: 2.1V to 5.5V
● Input Voltage Range: -0.1V to +5.6V with VS = 5.5V
● Gain-Bandwidth Product: 1.1MHz
● Low Supply Current: 48μA Supply Current is 10nA When Disabled
● Small Packaging
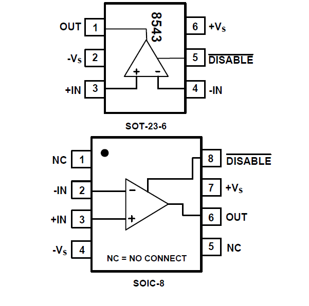
SGM8543 Available in SOT-23-6 and SOIC-8
The SGM8543 is a low cost, single rail-to-rail input and output voltage feedback amplifier with shutdown function. It has a wide input common mode voltage range and output voltage swing, and takes the minimum operating supply voltage down to 2.1V. The maximum recommended supply voltage is 5.5V. It is specified over the extended -40℃ to +125℃ temperature range.
The SGM8543 provides 1.1MHz bandwidth at a low current consumption of 48μA. Very low input bias current of 0.5pA enables the SGM8543 to be used for integrators, photodiode amplifiers, and piezoelectric sensors. Rail-to-rail input and output are useful to designers for buffering ASIC in single-supply systems.
Applications for this amplifier include safety monitoring, portable equipment, battery and power supply control, and signal conditioning and interfacing for transducers in very low power systems.
The SGM8543 is available in the Green SOIC-8 and SOT-23-6 packages.

