No.13802
? lnput Voltage Range: 2.7V to 16V
? Output Voltage Accuracy: 士1% at +25℃
? Low Dropout Voltage: 235mV (TYP) at 300mA
? Low Quiescent Current: 40uA(TYP)
Available in Multiple Output Voltage Versions
? Fixed Outputs of 1.5V,1.8V,2.5V,2.7V,2.8V,3.0V,
3.3V and 5.ov
? Adjustable Output Voltage Range: 1
? 2V to 12V. Power Supply Rejection Ratio:
85dB (TYP) at 1kHzOpen-Drain Power-Good Function
? Thermal Shutdown Protection
-40℃ to +125℃ Operating Temperature
? Range Available in a Green soIC-8 Package
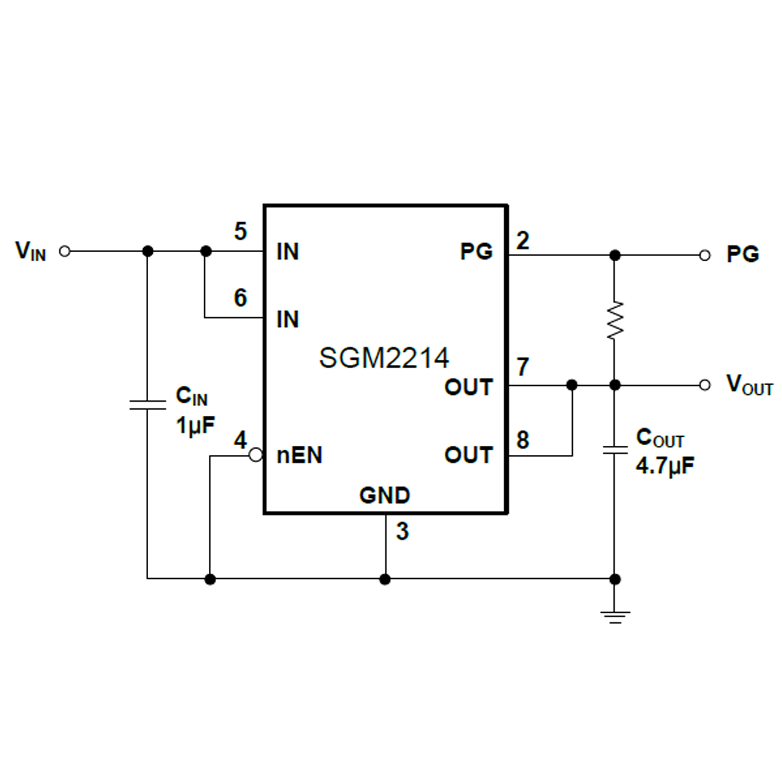
The SGM2214 is a low quiescent current, low dropout voltage regulator that stable with a 2.2μF output capacitor. With the integrated low RDS(ON) PMOS, the dropout voltage is very low (typically 235mV at an output current of 300mA) and is directly proportional to the output current. A sleep mode is also provided to save internal dissipation. Additionally, logic high level at nEN pin will disable the regulator and reduce the quiescent current to less than 1μA. These key features make the SGM2214 suitable for battery-powered systems. The Power-Good (PG) function is an active high output that can be used in system, such as a power-on reset, a low-battery indicator or an interrupt signal. The output voltage accuracy is specified as ±1.5% over line, load and temperature range. The SGM2214 is available in a Green SOIC-8 package. It operates over an operating temperature range of -40℃ to +125℃.

