Microprocessor Supervisory Circuit with Programmable Delay Time for Automotive Applications.
SGM836xQ
SGM836xQ.pdf
No.14089
FEATURES
? AEC-Q100 Qualified for Automotive Applications
Device Temperature Grade 1
TA = -40℃ to +125℃
? Adjustable Reset Timeout Period: 1.1ms to 10s
? Low Quiescent Current: 0.6μA (TYP)
? High Threshold Accuracy: 2.2% (MAX)
? 1.8V, 3.3V Factory-Set Detection Voltages and
Adjustable Detection Voltage Down to 0.4V
? Manual Reset (nMR) Input
? Open-Drain nRESET Output
? Available in Green SOT-23-6 and TDFN-2×2-6GL Packages
DESCRIPTION
The SGM836xQ family can monitor system voltages from 0.4V to 5V. When the detection voltage falls below the preset threshold (VITL) or the manual reset (nMR) pin is driven low, the open-drain nRESET output is asserted. After the detection voltage and nMR voltage return higher than their respective thresholds, the nRESET output remains low within the user-adjustable delay time.
The SGM836xQ uses a precision reference to achieve 2.2% threshold accuracy under the temperature range of -40℃ to +125℃. The fixed reset timeout period can be set to 20ms by leaving the CT pin open and can be set to 300ms by connecting the CT pin to VDD through a resistor. The programmable reset timeout period can be set from 1.1ms to 10s through an external capacitor connected to the CT pin. Low quiescent current makes the SGM836xQ very suitable for battery-powered applications.
The device is AEC-Q100 qualified (Automotive Electronics Council (AEC) standard Q100 Grade 1) and it is suitable for automotive applications.
The SGM836xQ is available in Green SOT-23-6 and TDFN-2×2-6GL packages.
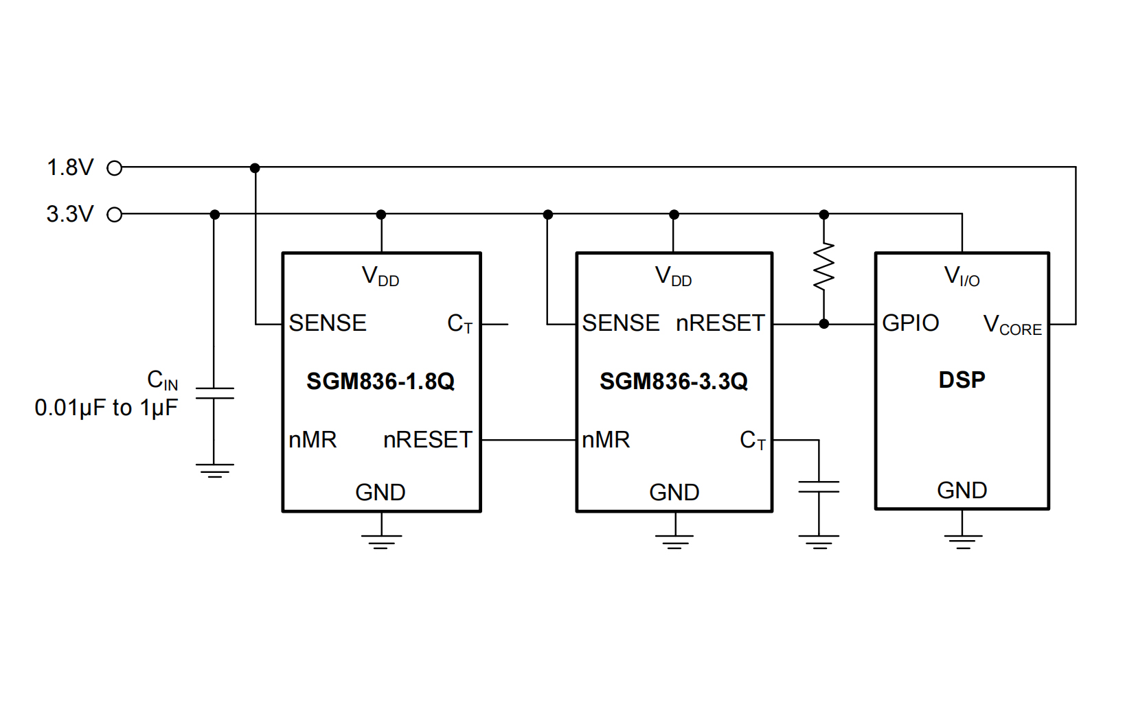
APPLICATION CIRCUIT

PIN CONFIGUTION
